请注意,本文内容源自机器翻译,可能存在语法或其它翻译错误,仅供参考。如需获取准确内容,请参阅链接中的英语原文或自行翻译。
器件型号:SN74AVC4T774 主题中讨论的其他器件:TXU0304、 SN74AXC4T774、
您好!
我的客户遇到测试抖动问题。
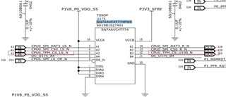
CS 信号进入 SN74AVC4T774PWR 引脚 A3并在 B3输出、电路如所附。
输入抖动引入了输出脉冲、波形也随附。
您是否知道为什么会出现这种情况?
我们如何

解决问题?
This thread has been locked.
If you have a related question, please click the "Ask a related question" button in the top right corner. The newly created question will be automatically linked to this question.
您好!
我的客户遇到测试抖动问题。
CS 信号进入 SN74AVC4T774PWR 引脚 A3并在 B3输出、电路如所附。
输入抖动引入了输出脉冲、波形也随附。
您是否知道为什么会出现这种情况?
我们如何

解决问题?