Other Parts Discussed in Thread: SN74LVC08A
https://e2e.ti.com/support/logic-group/logic/f/logic-forum/906969/sn74lvc08a-y-output-issue
器件型号:SN74LVC08A您好、先生、
我是否可以问、SN74LVC08A 是否需要任何输入电压才能实现 Y 引脚输出?
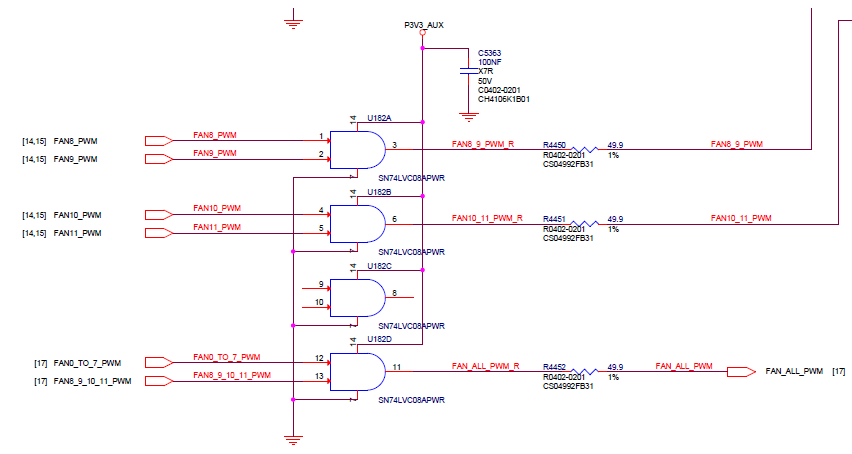
我们将此 SN74LVC08APWR IC 用于和两个 PWM 信号。
我们发现、如果 A/B 输入电压大约为2.4V、则不会有 Y 输出信号。
如果我们将 A/B 侧电压电平拉至大约3V、则将有 Y 输出信号。
根据规格、我们想知道为什么 Y 引脚没有输出、因此 A/B 侧的电压电平满足大于2V 的规格要求。
下面是3V 波形和2.4V 波形以及电路原理图、供参考。
请帮您提供建议。
谢谢你
FAN8_PWM/FAN9_PWM 电压电平大约为3V。
FAN10_PWM/FAN11_PWM 电压电平大约为2.46V。

