This thread has been locked.

If you have a related question, please click the "Ask a related question" button in the top right corner. The newly created question will be automatically linked to this question.

[参考译文] CD40109B:从12V 到3.3V 的电压电平转换

Guru**** 2512225 points
Other Parts Discussed in Thread: CD40109B

请注意,本文内容源自机器翻译,可能存在语法或其它翻译错误,仅供参考。如需获取准确内容,请参阅链接中的英语原文或自行翻译。

https://e2e.ti.com/support/logic-group/logic/f/logic-forum/822990/cd40109b-voltage-level-translation-from-12v-to-3-3v

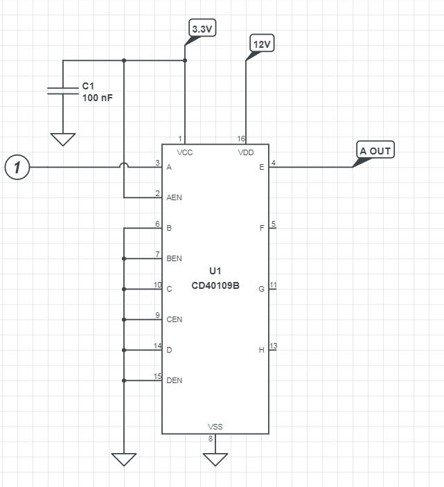
器件型号:CD40109B

 我正在寻找 CD40109B 应用电路、用于 从12V 到3.3V 的电压电平转换、反之亦然。 使用此 IC 是否可能? 请告诉我。

  • 请注意,本文内容源自机器翻译,可能存在语法或其它翻译错误,仅供参考。如需获取准确内容,请参阅链接中的英语原文或自行翻译。

    您好、Swetha、

    是的、可以进行该级别转换。 但是、方向不能动态变化、因为这是一个单向器件。

  • 请注意,本文内容源自机器翻译,可能存在语法或其它翻译错误,仅供参考。如需获取准确内容,请参阅链接中的英语原文或自行翻译。

    上面是原理图。 只是想确保它是否像这样工作:

    当 A 为高电平(3.3V)时、Aout =12V

    当 A 为低电平(0V)时、Aout =0V? 我是对的吗?

    是否有任何这样的 IC、仅具有1个电平转换器而不是4个电平转换器?

    此外、如果我想使用此 IC 为不同的应用进行12V 至3.3V 的转换、将会互换 Vcc 和 Vdd 的工作吗?

    请告诉我。 谢谢!

  • 请注意,本文内容源自机器翻译,可能存在语法或其它翻译错误,仅供参考。如需获取准确内容,请参阅链接中的英语原文或自行翻译。

    您好、Swetha、

    您的实施正确无误。 有单通道转换器、但这是唯一一款能够在您所需的12V 电压下工作的器件。 电源可以互换、您可以在 VCC 或 VDD 上使用12V 电压、具体取决于您是进行升压转换还是降压转换。