This thread has been locked.

If you have a related question, please click the "Ask a related question" button in the top right corner. The newly created question will be automatically linked to this question.

[参考译文] TXS0206A:电路原理图审查

Guru**** 2782445 points

Other Parts Discussed in Thread: TXS0206A

请注意,本文内容源自机器翻译,可能存在语法或其它翻译错误,仅供参考。如需获取准确内容,请参阅链接中的英语原文或自行翻译。

https://e2e.ti.com/support/logic-group/logic/f/logic-forum/1181161/txs0206a-schematic-review

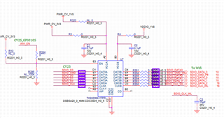
器件型号:TXS0206A

您好专家、

您是否可以帮助查看客户 TXS0206A 电路?  

没有要求、例如 VrefB 需要大于或等于 RefA、对吧? 原因主机的3.3V 电压更高、由于 CLKLA 必须连接到主机、因此无法放置在 B 侧。  

此致、

Allan

  • 请注意,本文内容源自机器翻译,可能存在语法或其它翻译错误,仅供参考。如需获取准确内容,请参阅链接中的英语原文或自行翻译。

    嘿、Allan、

    是的、正确-器件没有要求 VCCA 需要大于或等于 VCCA 的要求。 至于原理图、除了建议在 C3实际连接到 CLKB 时将其移除之外、我没有看到任何直接错误。 在 I/O 上具有额外的电容会导致缓慢的上升/下降沿、并对所需器件的数据速率产生负面影响。

    此致、

    插孔