请注意,本文内容源自机器翻译,可能存在语法或其它翻译错误,仅供参考。如需获取准确内容,请参阅链接中的英语原文或自行翻译。
器件型号:CD74HCT4094 尊敬的所有人:
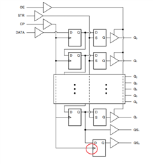
第7.1节概述如下所述:
"...下一个负时钟边沿上的 QS2端子上提供的相同串行信息提供了在时钟上升时间很慢时级联这些器件的方法。"
然而、函数方框图绘制如下:

哪一个是正确的、我如何正确解释此函数?
非常感谢
科迪
This thread has been locked.
If you have a related question, please click the "Ask a related question" button in the top right corner. The newly created question will be automatically linked to this question.
尊敬的所有人:
第7.1节概述如下所述:
"...下一个负时钟边沿上的 QS2端子上提供的相同串行信息提供了在时钟上升时间很慢时级联这些器件的方法。"
然而、函数方框图绘制如下:

哪一个是正确的、我如何正确解释此函数?
非常感谢
科迪