This thread has been locked.

If you have a related question, please click the "Ask a related question" button in the top right corner. The newly created question will be automatically linked to this question.

[参考译文] DRV2667:压电式触觉驱动器

Guru**** 2380670 points
Other Parts Discussed in Thread: DRV2667, DRV2700, USB2ANY
请注意,本文内容源自机器翻译,可能存在语法或其它翻译错误,仅供参考。如需获取准确内容,请参阅链接中的英语原文或自行翻译。

https://e2e.ti.com/support/motor-drivers-group/motor-drivers/f/motor-drivers-forum/1459863/drv2667-piezo-haptic-driver

器件型号:DRV2667
主题中讨论的其他器件: DRV2700USB2ANY

工具与软件:

我有带 PIC18F25Q10的接口 DRV2667压电式触觉驱动器。

我正在 尝试生成一些触觉波形(包络向上、振幅和频率)。
到目前为止、我尝试了数据表中给出的一个提示示例、通过这种提示、压电式传感器能够振动并发出嗡嗡声。

我已经连接了参考的波形。

观察到的问题:
1.无论寄存器中设置的增益如何、我都可以随时看到恒定的波形振幅。
2.我试图通过更新波形寄存器来改变的波形模式、但没有观察到输出波形的变化。

如果我在更新标头、控制或数据寄存器的值时出错、敬请帮助我理解。



  • 请注意,本文内容源自机器翻译,可能存在语法或其它翻译错误,仅供参考。如需获取准确内容,请参阅链接中的英语原文或自行翻译。

    您好!

    感谢您的咨询。

    您是否正在使用 DRV2667 EVM? 如果不能、您能否分享您的 DRV2667原理图? 另外、在此处分享示波器屏幕截图时、是否可以绘制差分输出(OUT+- OUT-)?  

    压电体的电容是多少?您要驱动多大的频率?

    当您说到波形寄存器时、您要更改哪个特定的寄存器?

    此致、
    悉尼诺斯卡特  

  • 请注意,本文内容源自机器翻译,可能存在语法或其它翻译错误,仅供参考。如需获取准确内容,请参阅链接中的英语原文或自行翻译。

    您好、先生、

    感谢您的响应。

    我不使用 EVK 板。 我设置的波形频率为195Hz。
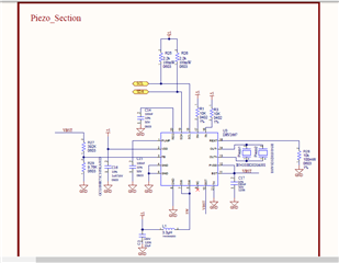
    请查找原理图、寄存器更新和电容值的随附文档。
    我现在还没有设置好看到输出电压波形、一段时间后会更新。

    Thankse2e.ti.com/.../1313h018v120.pdf
    Pratiksha.

  • 请注意,本文内容源自机器翻译,可能存在语法或其它翻译错误,仅供参考。如需获取准确内容,请参阅链接中的英语原文或自行翻译。

    Pratiksha、您好!

    随着负载电容的增加、器件无法提供整个输出范围。 您的压电负载的电容非常大(850nF)、因此我认为这是此处的根本原因。 一种确认这一点的方法是移除负载并观察器件的运行情况。 下表是 DRV2667数据表中的一个表格、其中提供了此行为的一些测试点。 我还添加了 DRV2700数据表中的图像、以图表形式显示了这一点。  

    此致、
    悉尼诺斯卡特  

  • 请注意,本文内容源自机器翻译,可能存在语法或其它翻译错误,仅供参考。如需获取准确内容,请参阅链接中的英语原文或自行翻译。

  • 请注意,本文内容源自机器翻译,可能存在语法或其它翻译错误,仅供参考。如需获取准确内容,请参阅链接中的英语原文或自行翻译。

    Pratiksha、您好!

    移除负载时、您的测试结果是什么?  

    此致、
    悉尼诺斯卡特

  • 请注意,本文内容源自机器翻译,可能存在语法或其它翻译错误,仅供参考。如需获取准确内容,请参阅链接中的英语原文或自行翻译。

    尊敬的 Sydney:

    在空载的情况下、我能够获得19V 的输出电压。
    但我观察到的波形对于所有波形寄存器值都是相同的、并且输出电压始终仅限于3V。
    此外、我在 EVK 板上观察到的主要原理图差异是增益控制电路。 这会对相同性能产生任何影响吗?

    谢谢!
    Pratiksha.

  • 请注意,本文内容源自机器翻译,可能存在语法或其它翻译错误,仅供参考。如需获取准确内容,请参阅链接中的英语原文或自行翻译。

  • 请注意,本文内容源自机器翻译,可能存在语法或其它翻译错误,仅供参考。如需获取准确内容,请参阅链接中的英语原文或自行翻译。

    Pratiksha、您好!

    增益控制不应该产生任何影响。 这就是在 EVM 上更改 FB 电阻以使用各种增益进行测试所做的操作。 您能说明在何处以及何时测量3V 和19V 电压吗? 您还可以分享您的布局以供审查吗?

    此致、
    悉尼诺斯卡特

  • 请注意,本文内容源自机器翻译,可能存在语法或其它翻译错误,仅供参考。如需获取准确内容,请参阅链接中的英语原文或自行翻译。

    您好!

    感谢您的澄清。
    在之前的响应中、附加了原理图布局。
    我们正在测量连接到输出引脚的引脚 pizeO+上的这个电压。(OUT+)
    此外、我们是否可以获得专用的 DRV2667代码作为参考、以便在 IC 上操作它? 只有驱动程序代码不包括微控制器代码。

    谢谢!
    Pratiksha.

  • 请注意,本文内容源自机器翻译,可能存在语法或其它翻译错误,仅供参考。如需获取准确内容,请参阅链接中的英语原文或自行翻译。

     Pratiksha、您好!

    似乎未将布局文件附加到您的响应。 请重试吗? 如果这不起作用、我可以启动电子邮件主题帖。  

    此致、
    悉尼诺斯卡特

  • 请注意,本文内容源自机器翻译,可能存在语法或其它翻译错误,仅供参考。如需获取准确内容,请参阅链接中的英语原文或自行翻译。

    尊敬的 Sydney:

    请查看随附的原理图。

    另外、如果观察同样的问题、请发送您的电子邮件 ID、我也会在那里更新。



    谢谢!
    Pratiksha.

  • 请注意,本文内容源自机器翻译,可能存在语法或其它翻译错误,仅供参考。如需获取准确内容,请参阅链接中的英语原文或自行翻译。

    Pratiksha、您好!

    为困惑道歉。 我指的是 PCB 布局文件或图像。 类似于下面的。

    此致、
    悉尼诺斯卡特

  • 请注意,本文内容源自机器翻译,可能存在语法或其它翻译错误,仅供参考。如需获取准确内容,请参阅链接中的英语原文或自行翻译。

    您好!

    请附上图像。

    谢谢。此致、
    Pratiksha.

  • 请注意,本文内容源自机器翻译,可能存在语法或其它翻译错误,仅供参考。如需获取准确内容,请参阅链接中的英语原文或自行翻译。

    您好!

    您能否提供有关是否有任何 DRV2667专用代码可供参考的最新信息?

  • 请注意,本文内容源自机器翻译,可能存在语法或其它翻译错误,仅供参考。如需获取准确内容,请参阅链接中的英语原文或自行翻译。

    您好!

    对于延迟、我们深表歉意。

    我们的 EVM 固件位于器件 产品页面的软件开发部分、 可供参考。 数据表中 还有第8.3节分享了初始化步骤。  

    我喜欢您的布局。 我不认为问题的根源在那里。  

    您将增益设置为什么、输入信号是什么? 凭借相同的增益和输入信号、您能在空载的情况下共享输出信号吗?

    此致、
    悉尼诺斯卡特

  • 请注意,本文内容源自机器翻译,可能存在语法或其它翻译错误,仅供参考。如需获取准确内容,请参阅链接中的英语原文或自行翻译。

    您好、Sydney:

    0x01寄存器中的增益位、我们设置为"2":75V (数字)和38.4db (模拟)。

    我们使用的是波形生成模式、而不是模拟输入模式。 我们没有任何外部输入信号。  

    我将与空载共享输出信号。

    谢谢。此致、
    Pratiksha.



  • 请注意,本文内容源自机器翻译,可能存在语法或其它翻译错误,仅供参考。如需获取准确内容,请参阅链接中的英语原文或自行翻译。



  • 请注意,本文内容源自机器翻译,可能存在语法或其它翻译错误,仅供参考。如需获取准确内容,请参阅链接中的英语原文或自行翻译。

    Pratiksha、您好!

    噢、我明白了。 感谢您提供的信息。 您如何对 RAM 进行编程? 这可能是问题所在。  

    我建议连接或使用我们的 GUI 触觉控制台 、因为它具有非常好的 RAM 编程接口。 您可以使用 USB2ANY 并将 I2C 直接连接到您的板、也可以只使用触觉控制台来生成 RAM 的脚本。  

      

    此致、
    悉尼诺斯卡特

  • 请注意,本文内容源自机器翻译,可能存在语法或其它翻译错误,仅供参考。如需获取准确内容,请参阅链接中的英语原文或自行翻译。

    好的。 谢谢您的建议。

    我一定会尝试您的建议并回复您。

    此致、
    Pratiksha.

  • 请注意,本文内容源自机器翻译,可能存在语法或其它翻译错误,仅供参考。如需获取准确内容,请参阅链接中的英语原文或自行翻译。

    您好、Sydney:

    该 EVM 无法在 HCC SW 中进行检测。
    外部是否需要任何其他连接?

    此致、
    Pratiksha.

  • 请注意,本文内容源自机器翻译,可能存在语法或其它翻译错误,仅供参考。如需获取准确内容,请参阅链接中的英语原文或自行翻译。

    Pratiksha、您好!  

    您使用的是 DRV2667 EVM 还是您的电路板? 您是否正在使用 USB2ANY? USB2ANY 是连接所必需的。

    您能否分享连接的图像?

    如果使用电路板、请确保 USB2ANY 仅连接到 DRV2667 I2C。

    此致、
    悉尼诺斯卡特  

  • 请注意,本文内容源自机器翻译,可能存在语法或其它翻译错误,仅供参考。如需获取准确内容,请参阅链接中的英语原文或自行翻译。

    您好!

    是的、我使用 DRV2667 EVM 板和 USB 电缆进行连接。

    我仍然发现了相同的问题。

    Haptics Control Console 版本: 1.6.0.2


    谢谢!
    Pratiksha.

  • 请注意,本文内容源自机器翻译,可能存在语法或其它翻译错误,仅供参考。如需获取准确内容,请参阅链接中的英语原文或自行翻译。

    Pratiksha、您好!

     USB2ANY (https://www.ti.com/tool/USB2ANY)需要连接到 EVM 上的 I2C。 这就是 HCC 与 EVM 通信的方式。

    此致、
    悉尼诺斯卡特

  • 请注意,本文内容源自机器翻译,可能存在语法或其它翻译错误,仅供参考。如需获取准确内容,请参阅链接中的英语原文或自行翻译。

    您好、Sydney:

    现在、我们已将 USB2ANY 连接器与 EVM 板相连。 我们还下载了 USB2ANY Explorer、并尝试更新固件。 仍然、我无法与 EVM 建立连接。是否有驱动程序安装缺失或任何受支持的软件?

  • 请注意,本文内容源自机器翻译,可能存在语法或其它翻译错误,仅供参考。如需获取准确内容,请参阅链接中的英语原文或自行翻译。

    您好!

    您不需要在此处使用 USB2ANY Explorer。 要更新 USB2ANY 固件、您应该使用 Haptic Control Console GUI。 为此、请转至 Help -> Firmware Update。 请注意、在扫描器件之前、必须在按住 BSL 按钮的情况下为 USB2ANY 上电。 它也不应连接到 EVM。 当 GUI 找到器件后、您将加载 DRV-USBCOM-EVM_v1p4固件。  

    此致、
    悉尼诺斯卡特

  • 请注意,本文内容源自机器翻译,可能存在语法或其它翻译错误,仅供参考。如需获取准确内容,请参阅链接中的英语原文或自行翻译。

    您好!

    感谢您的快速响应。 但仍然观察到相同的问题。 您能解释一下步骤2吗? 也许我在这方面遗漏了一些东西。

  • 请注意,本文内容源自机器翻译,可能存在语法或其它翻译错误,仅供参考。如需获取准确内容,请参阅链接中的英语原文或自行翻译。

    Pratiksha、您好!

    对于 USB2ANY、必须按住框顶部的按钮。 它是一个小孔、但您可以使用示波器探头或小针按下按钮。 按住该按钮后、您可以将 USB 插入计算机并扫描设备。 在插入 USB 时按住按钮可能比较棘手、如果您有其他人执行此步骤、这会更容易。  

    与 USB2ANY 相比、列出的指令更适合 EVM、但过程是类似的。  

    此致、
    悉尼诺斯卡特