工具/软件:
尊敬的 TI 支持团队:
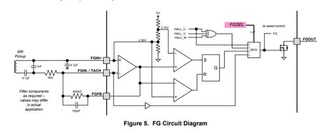
我正在使用 DRV8308 驱动器 通信 MFA0500 高速鼓风机(由 Airfan 提供) 。 我已经成功验证了中的电机是否正常运行 开环模式 DRV8308。 但是、我在尝试运行电机时遇到了问题 闭环控制模式 。
来消除 :MFA0500 鼓风机
-
额定电压:24 VDC
-
典型速度:~75,000 RPM
-
霍尔传感器:3 个数字霍尔传感器(0–5V 逻辑)、间隔 120°、工作正常
- MFA0500 有一对极


-
检查我们的当前寄存器值。
-
识别的任何不正确或缺失的设置 闭环模式 。
- 建议进行更正以获得 闭环控制工作 合适的处理器 MFA0500 来消除。

请查找寄存器值 
: 