This thread has been locked.

If you have a related question, please click the "Ask a related question" button in the top right corner. The newly created question will be automatically linked to this question.

[参考译文] DRV8847:锁定电磁阀控制问题

Guru**** 2652475 points

Other Parts Discussed in Thread: DRV8847

请注意,本文内容源自机器翻译,可能存在语法或其它翻译错误,仅供参考。如需获取准确内容,请参阅链接中的英语原文或自行翻译。

https://e2e.ti.com/support/motor-drivers-group/motor-drivers/f/motor-drivers-forum/1592358/drv8847-latching-solenoid-control-issue

零件号: DRV8847

你(们)好

我希望这一解释不会令人困惑—我将尽量保持它的简单。 我希望通过简单的逻辑或模式移位解决方案可以解决该问题。


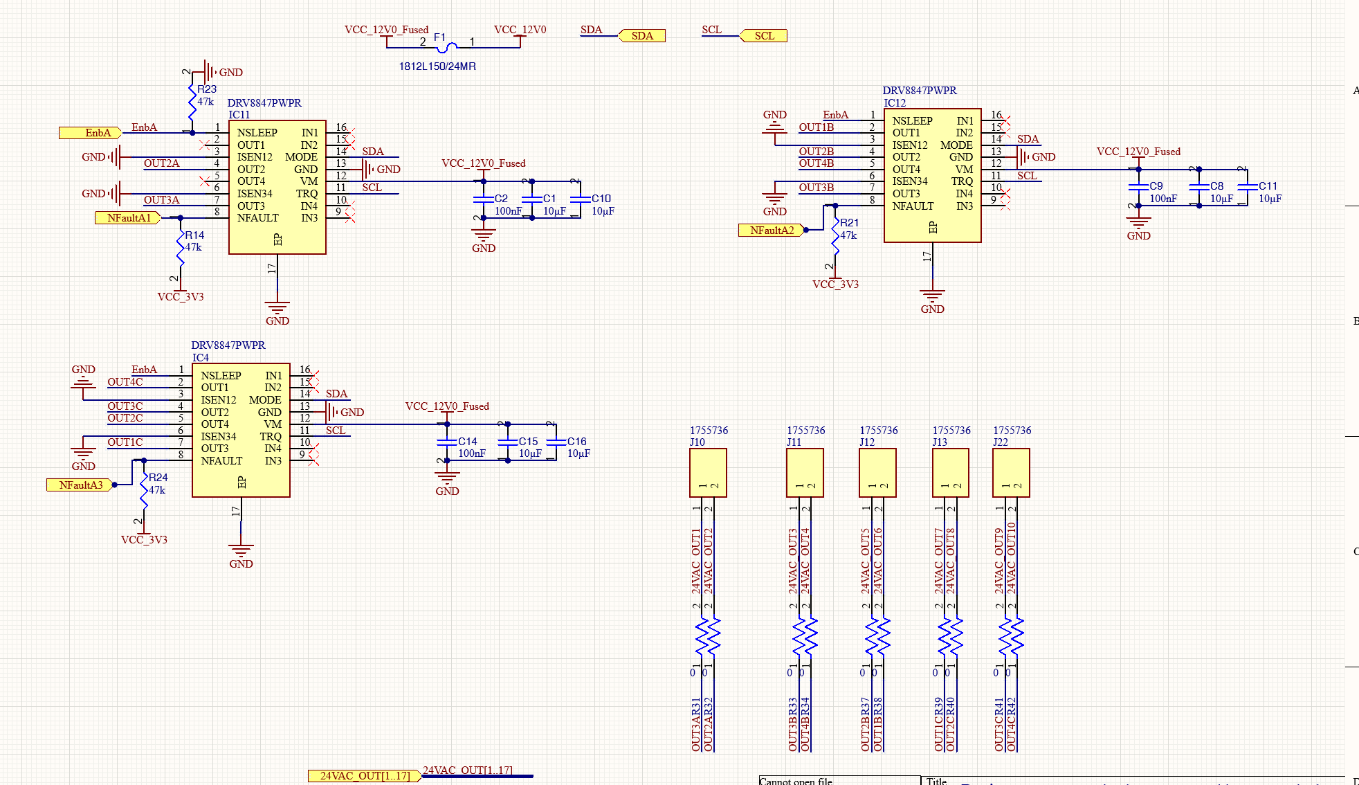
我在 I²C μ A 模式下使用 DRV8847PWPR 来控制多达 16 个锁存螺线管。 这些螺线管为 30 、只需要短脉冲、因此我用 1 秒的脉冲驱动它们以将其打开、然后反转极性以将其关闭。

下面是我的示意图和显示 16 个电磁阀如何连接的接线图。

IC11 配置为在 4 引脚模式下运行。

IC12 和 IC4 配置为独立模式。

目的是使 IC11 为每组 8 个螺线管提供一条共享公共线、而 IC12 和 IC4 驱动各极性线。 当 IC11 没有在特定引脚上主动驱动高电平或低电平时、我将该引脚设置为 00、从而使其进入 高阻态 然后、IC12 和 IC4 驱动为高电平或低电平、以设置适当的极性。 我的理解是、您无法在独立模式下对未使用的引脚设置高阻态、这就是为什么 IC11 用作共享节点的原因。

原则上、这应该起作用、并且最初起作用。 电磁阀 S1、S2 和 S3 工作正常、事实上所有前 8 个电磁阀都按预期工作。

但是、当我尝试激活 S10 时、S2 也会意外激活。

触发 S10 时会发生什么情况

OUT2A (IC11) 设置为高阻态

OUT2B 变为高电平

OUT1B、OUT3B 和 OUT4B 为低电平

即使 OUT2A 处于高阻态、电流似乎也从 OUT2B(对于 S10)流向 OUT2A 上 S2 的公共点。 由于 OUT1B 和 OUT3B 为低电平、电流继续通过 S2 并为其通电—导致 S2 在只有 S10 应运行时激活。

我的关注

似乎即使在高阻态下、IC11 上的共享节点仍允许电流路径、无意中为其他电磁阀通电。 我不确定 DRV8847 是否能够为每个输出提供真正的完全隔离式高阻态、或者是否有其他方法可以实现这种隔离级别。

driversolenoid.png


Driver.png

  • 请注意,本文内容源自机器翻译,可能存在语法或其它翻译错误,仅供参考。如需获取准确内容,请参阅链接中的英语原文或自行翻译。

    尊敬的 Dharmesh:

    我们将在感恩节假期期间入住星期一酒店。 我们将在星期一上检查您的原理图并返回给您。

    同时,我想为你提供一个指针,以防你没有考虑到这一点。 DRV8847 的 OUTx 引脚是 MOSFET 半桥。 即使处于高阻态、体二极管也会在正向偏置方向提供电流路径。 您可能需要使用此项进行检查。

    电磁阀驱动需要多大的电流? 电磁阀的 L 和 R 值是多少? 您是否使用片上 PWM 电流控制来限制螺线管激活电流? 谢谢你。

    此致、Murugavel