This thread has been locked.

If you have a related question, please click the "Ask a related question" button in the top right corner. The newly created question will be automatically linked to this question.

[参考译文] DRV2511-Q1:关于检测操作

Guru**** 2371060 points
请注意,本文内容源自机器翻译,可能存在语法或其它翻译错误,仅供参考。如需获取准确内容,请参阅链接中的英语原文或自行翻译。

https://e2e.ti.com/support/motor-drivers-group/motor-drivers/f/motor-drivers-forum/584503/drv2511-q1-about-detection-operation

部件号:DRV2511-Q1

您好,

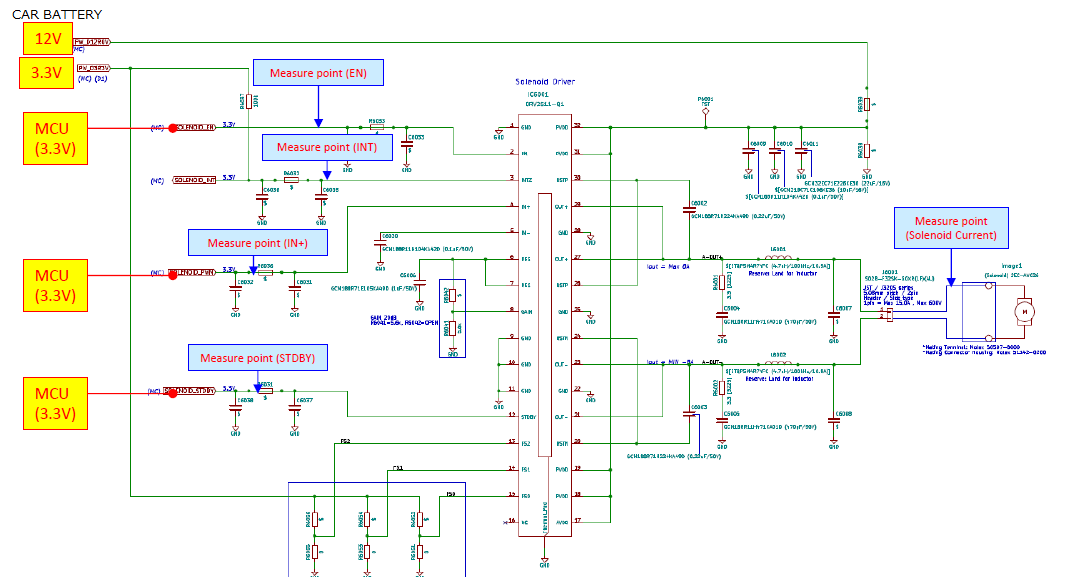
在检查所附内容时,设备被销毁(烧坏)。
在MCU控件中,EN信号仅为Hi (高)一次,持续时间为25 ms。
In +故障和输出Hi持续10 ms。
在测量波形中,INT = Lo。 但是,我不知道是通知了故障还是设备已损坏。

(问题)
·当设备输出INT = Lo并变为LATCH时,设备是否自行停止输出? (高阻抗输出)
·提供过压检测和过电流检测。 但是,您是否认为在保护工作之前,电压和电流将高于检测电压或检测电流?
·尽管最大额定电流为8 A,但在电气特性中检测电流为13 A (典型值)。 这是否意味着如果检测到13 A,设备可能会损坏?

此致,

  • 请注意,本文内容源自机器翻译,可能存在语法或其它翻译错误,仅供参考。如需获取准确内容,请参阅链接中的英语原文或自行翻译。
    您好,Kaji,

    当INTZ变低时,输出将具有高阻抗并有效地关闭。
    过电流和过电压跳闸点已正确设置。 设备不会因过电流而损坏自身。 对于过压,电源轨(PVDD和AVDD)上的最大电压电平为30V,不应超过此值。 过压保护为28V。
    该器件可承受高达13A的高电流瞬态信号。 超过额定输出电流8A时,该设备将显著加热,并且热保护将使输出达到高阻抗。

    它看起来像您将700mV输入脉冲应用到IN+。 您的增益设置是什么? 您测量到电磁阀输出处的电流是多少?
  • 请注意,本文内容源自机器翻译,可能存在语法或其它翻译错误,仅供参考。如需获取准确内容,请参阅链接中的英语原文或自行翻译。

    感谢您的建议。

    增益设置为20 dB。
    测得的电流值约为6A。 但是,无法记录示波器的波形。
    在12 V电源线上添加了SMAJ 30 CA (IRM = 30 V)的TVS二极管。

    附加实际刻录的映像。 PVDD周围的区域正在燃烧。
     昨天的运动波形和此图像中是否存在设备损坏的原因?

    此致,