This thread has been locked.

If you have a related question, please click the "Ask a related question" button in the top right corner. The newly created question will be automatically linked to this question.

[参考译文] H 桥的功率耗散计算

Guru**** 2482225 points
Other Parts Discussed in Thread: DRV8144-Q1, DRV8706-Q1, DRV8106-Q1, DRV8145-Q1

请注意,本文内容源自机器翻译,可能存在语法或其它翻译错误,仅供参考。如需获取准确内容,请参阅链接中的英语原文或自行翻译。

https://e2e.ti.com/support/motor-drivers-group/motor-drivers/f/motor-drivers-forum/1180824/power-dissipation-calculation-of-h-bridge

主题中讨论的其他器件:DRV8144-Q1DRV8706-Q1DRV8106-Q1DRV8145-Q1

尊敬的 TI 团队:

 

我找到了有关 H 桥 PD 计算的说明(slva504a),但如果占空比在周期时间内是可变的(例如,第一 个周期中为10%, 第二个周期中为20%………)我们如何计算 H 桥的 PD?  

"IL"是指公式中显示的 RMS 电流或瞬态电流?  H 桥的总功率损耗可以等于 PLS +PHS 直接(使用低侧再循环的半桥驱动器)?

"如果我们假设区域#4和#6的功耗可以忽略不计、则上升沿和下降沿的压摆率匹配、
死区时间相等、那么每个 FET 的功率耗散可近似如下:
1、Pl =[RON×IL 2 x (1-D)]+[2 x VD x IL x tDEAD x fPWM]
2. PHS =[RON×IL 2 x D]+[VM x IL x (VM / SR) x fPWM]
与 H 桥驱动器相比、由于传导损耗而导致的功率耗散大约减半、
但是、开关损耗保持不变。"

您是否可以为我们提供 H 桥(DRV8144-Q1)的热电子模式?

  • 请注意,本文内容源自机器翻译,可能存在语法或其它翻译错误,仅供参考。如需获取准确内容,请参阅链接中的英语原文或自行翻译。

    您好!

    感谢您的提问。

    IL 表示用于计算的瞬态电流。  

    >>与 H 桥驱动器相比,由于传导损耗而产生的功率耗散大约减少了一半, 但开关损耗保持不变。”

    是的、这是正确的陈述。

     

    让我随附 DRV814x-Q1的热量计算器  

    e2e.ti.com/.../JunctionTemperatureEstimator_5F00_HB.xlsx

    此致

    Shinya Morita

  • 请注意,本文内容源自机器翻译,可能存在语法或其它翻译错误,仅供参考。如需获取准确内容,请参阅链接中的英语原文或自行翻译。

    您好!  

    感谢您分享计算器!  

    但我不清楚如何在我的应用中使用。

    现在、我将对我的应用进行简短的说明:

    ->我使用了 DRV8144 -Q1 (VQFN-HR)

    ->F_PWM =20kHz 是恒定的,但占空比在工作阶段会有所变化。例如(T1:1%、T2:5%、T3:10%……)

    ->负载阻抗约为0.6 Ω。

    ->输入电压范围为9V 至18V。

    您是否需要更多参数?

    顺便说一下,我在 我的应用中测量了高达7.33A @ VM=18V 的输出 RMS 电流。  

    PD_conduction loss = 7.33*7.33*0.0285=1.53W   

    PD_SWITCH 损耗=?

    TJ=?*42.5+85 应℃150 μ F

  • 请注意,本文内容源自机器翻译,可能存在语法或其它翻译错误,仅供参考。如需获取准确内容,请参阅链接中的英语原文或自行翻译。

    你(们)好

    DRV8144-Q1是半桥驱动器。 如果您需要全桥/H 桥、请使用 DRV8243/44/45-Q1。

    我在这里输入您的条件。 占空比改变了0.1、0.2、0.3。 在这种情况下、DRV8144-Q1看起来不错。  

    e2e.ti.com/.../JunctionTemperatureEstimator_5F00_HB_5F00_E2E.xlsx

    此致

    Shinya Morita

  • 请注意,本文内容源自机器翻译,可能存在语法或其它翻译错误,仅供参考。如需获取准确内容,请参阅链接中的英语原文或自行翻译。

    您好,

    感谢您的反馈!

    我有以下问题、请。 支持帮助。

    ℃℃,表中的 Tj 为-40 μ F 至150 μ F、℃?"JunctionTemperatureEstimator "将 TJ 限值设置为175 μ F

    计算得出的功率损耗是否包括导通损耗+开关损耗? 还是缺少其他一些?

    3、为什么电流应设置为负电流? 当我将电流设置为正电流时,LSFET 上没有功率耗散。

    4.正如我记得的那样,您提到 IL 将使用瞬态电流进行计算,为什么我们使用 RMS 电流进行计算?

    顺便说一下,我们在我的应用中使用了“低侧再循环”。

    谢谢!

  • 请注意,本文内容源自机器翻译,可能存在语法或其它翻译错误,仅供参考。如需获取准确内容,请参阅链接中的英语原文或自行翻译。

    您好!

    感谢您的反馈。

    1.热估算器线路来自 TSD。

    它包括两个。

    请参阅"如何使用 No9"的选项卡。 它只是该热估算器的一种方法。

    4.我用7.3A 作为基准。 如果您具有瞬态电流值、最好改用它。

    是的。 我的估算器示例需要低侧再循环。

    此致

    Shinya Morita

  • 请注意,本文内容源自机器翻译,可能存在语法或其它翻译错误,仅供参考。如需获取准确内容,请参阅链接中的英语原文或自行翻译。

    您好,

    感谢您的解释!

    这意味着半桥可在 Tj 小于 TSD 且高于150℃的条件下运行?

    考虑一下我的应用,正如我之前提到的,输入电压范围为9-18V,负载阻抗约为0.6 Ω。

    ->我使用了 DRV8144 -Q1 (VQFN-HR)

    ->F_PWM =20kHz 是恒定的,但占空比在工作阶段会有所变化。例如(T1:1%、T2:5%、T3:10%……)

    ->负载阻抗约为0.6 Ω。

    ->输入电压范围为9V 至18V。

    因此、我们 可以进行拔模、计算瞬态电流= 18/0.6= 30A、然后在估算器:中使用该值

    ℃您可以看到 TJ 高达500 μ s、这种计算是否合理? 数据表指定了高达30A 的最大输出电流能力

    谢谢!

  • 请注意,本文内容源自机器翻译,可能存在语法或其它翻译错误,仅供参考。如需获取准确内容,请参阅链接中的英语原文或自行翻译。

    你(们)好

    感谢您的提问。

    建议在150C 以下用于 Tj 的正常运行。 TSD 是故障/问题条件下的最终防护/保护功能。  

    -Iou=30A 用于驱动能力而不会出现热条件。 例如我们的范围。 如果需要以~3秒的持续时间驱动30A、建议使用 DRV8706-Q1、DRV8106-Q1等栅极驱动器系列。  

    让我附加 DRV8145-Q1 (Ta=85C)的热性能表。 如果超过这些值、建议使用栅极驱动器。

    此致

    Shinya Morita  

  • 请注意,本文内容源自机器翻译,可能存在语法或其它翻译错误,仅供参考。如需获取准确内容,请参阅链接中的英语原文或自行翻译。

    您好!

    新年快乐!

    为什么我的计算器始终出现以下错误?

    如果我可以使用 RMS 电流通过此计算器进行热研究,因为电流波形像余弦曲线,峰值约为12A,  

    谢谢!

  • 请注意,本文内容源自机器翻译,可能存在语法或其它翻译错误,仅供参考。如需获取准确内容,请参阅链接中的英语原文或自行翻译。

    新年快乐!

    我单击了上面的链接、输入了您所做的所有操作、但没有看到相同的问题。  我尝试操纵其他领域、没有问题。

    您是否可以使用新下载开始新版本并查看是否存在相同问题?  XLS 中的某些单元格必须已损坏。   

    此致、

    Ryan

  • 请注意,本文内容源自机器翻译,可能存在语法或其它翻译错误,仅供参考。如需获取准确内容,请参阅链接中的英语原文或自行翻译。

    您好,

    感谢您的反馈!

    我再次下载计算器,现在它正在运行! 但我不知道为什么以前发生了错误。

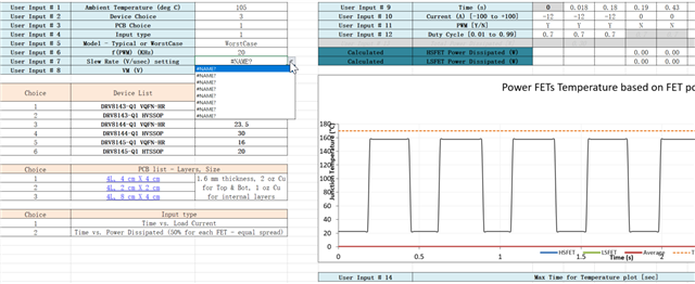
     应用中实际使用的波形、如 下图所示:

    IPEAK = 15.9A,IRMS = 7.33A (考虑超时250ms)

    由于我无法在计算器中模拟余弦波形,因此我使用方波进行计算(计算的方波应比余弦波更差)(超时为250ms,高级时间为180ms)。

    ℃),我使用峰值电流(15.9A)进行计算、那么您可以看到 TJ 将超过限制值(150 μ A、因此 我想问我们是否可以使用 RMS 电流 进行 热研究?  

    压摆率:配置如下:(43V/usec)

     

     

    请帮助您在 计算器中检查我的设置。

    谢谢!

  • 请注意,本文内容源自机器翻译,可能存在语法或其它翻译错误,仅供参考。如需获取准确内容,请参阅链接中的英语原文或自行翻译。

    您好!

    您就在电子表格中选择的最坏情况建模和最坏情况下的方波电流的边缘。  借助看起来更像是全波整流信号的实际电流曲线、我认为您将很容易处于 DRV8144-Q1的能力范围内。   

    您当然可以使用 RMS 进行仿真、但这也不是很正确、因为您使用方波进行建模。  或许可以仅仅减少方波的"导通"时间。  无论采用哪种方式、都无法使用此电子表格来完美地模拟您的情况。

    此致、

    Ryan

  • 请注意,本文内容源自机器翻译,可能存在语法或其它翻译错误,仅供参考。如需获取准确内容,请参阅链接中的英语原文或自行翻译。

    您好,

    您可以℃)到、TJ 远低于限制值(当我在 Excel 计算器中使用实际 RMS 电流(IRMS=7.33A)时为150 μ A)。

    是否有必要缩短方波的"导通"时间以接近实际电流曲线? 我认为直接使用实际 RMS 电流进行仿真比缩短"导通"时间更糟糕。 最差的 Tj 不超过限制值,因此我的应用程序应该位于安全 区域。 我的理解是否正确?或者您是否有更好的方法来调查我的应用的热风险?

    此致

  • 请注意,本文内容源自机器翻译,可能存在语法或其它翻译错误,仅供参考。如需获取准确内容,请参阅链接中的英语原文或自行翻译。

    您好、再次,

    我附加了假设的波形与实际波形相对应、以避免误解。

    以下内容是上次回复的副本,为避免丢失,请帮助 回答。

    您可以℃)到、TJ 远低于限制值(当我在 Excel 计算器中使用实际 RMS 电流(IRMS=7.33A)时为150 μ A)。

    是否有必要缩短方波的"导通"时间以接近实际电流曲线? 我认为直接使用实际 RMS 电流进行仿真比缩短"导通"时间更糟糕。 最差的 Tj 不超过限制值,因此我的应用程序应该位于安全 区域。 我的理解是否正确?或者您是否有更好的方法来调查我的应用的热风险?

    谢谢!

    此致

  • 请注意,本文内容源自机器翻译,可能存在语法或其它翻译错误,仅供参考。如需获取准确内容,请参阅链接中的英语原文或自行翻译。

    您好!

    感谢您的后续问题。 让我在24小时内回顾并向您提供反馈。

    此致

    Shinya Morita

  • 请注意,本文内容源自机器翻译,可能存在语法或其它翻译错误,仅供参考。如需获取准确内容,请参阅链接中的英语原文或自行翻译。

    您好!

    很难准确仿真您的负载条件、但我在这里进行了尝试。 我重点介绍了180ms 正弦波周期。 我认为这是热的最关键周期。 我在您的测量中生成了3个峰值为15.9A 的正弦波、而不是~10个脉冲。

    看起来 DRV8144-Q1可以正常工作。 这是针对18V 和最坏情况仿真的-供参考。 使用较低的 VM 时、热性能会更好。

    如果您可以降低压摆率或降低 PWM 频率、热性能将会更好。

    如果 DRV8144-Q1无法支持、则 DRV8145-Q1可以是备用解决方案。

    此致

    Shinya Morita

  • 请注意,本文内容源自机器翻译,可能存在语法或其它翻译错误,仅供参考。如需获取准确内容,请参阅链接中的英语原文或自行翻译。

    您好!

    我想、更快的压摆率将获得更好的热性能。

    在 Excel 计算器中,您可以帮助延长更多时间节点, 我想模拟30个以上的脉冲... 现在、Excel 计算器只能模拟3个正弦波。

    为什么我无法使用 RMS 电流进行热研究?

    谢谢!

  • 请注意,本文内容源自机器翻译,可能存在语法或其它翻译错误,仅供参考。如需获取准确内容,请参阅链接中的英语原文或自行翻译。

    您好!

    是的、更快的压摆率在热性能方面更好。 你是对的。

    这是 Excel 工具的限制。 无法增加时间节点的数量。

    RMS 电流可用作基准。 但是、我连接到检查峰值温度是如何通过正弦波峰值电流上升的。 180ms/~10pules =~20ms 是加热芯片温度的足够时间。  

    此致

    Shinya Morita

  • 请注意,本文内容源自机器翻译,可能存在语法或其它翻译错误,仅供参考。如需获取准确内容,请参阅链接中的英语原文或自行翻译。

    您好!

    谢谢!

    以下是2个仿真结果:

    1:使用峰值电流进行仿真(15.9A)

    现在您可以看到裸片的温度取决于脉冲数。 ℃  ℃@结果、裸片的温度将超过150 μ V、最高温度高达162.03℃@ LSFET 128.43℃@ HSFET 143.57 μ V 平均值。

    2.使用 RMS 电流进行仿真(7.33A)

    ℃℃@结果、裸片的温度不会超过150 ̊ C、最高温度高达149.46 ̊ C LSFET 122.94℃@ ℃@ HSFET 136.20 ̊ C 的平均值。

    根据  RMS 电流的仿真结果,我是否能认为 半驱动 器在安全区域工作?

    谢谢!

  • 请注意,本文内容源自机器翻译,可能存在语法或其它翻译错误,仅供参考。如需获取准确内容,请参阅链接中的英语原文或自行翻译。

    您好!

    感谢您的反馈。

    关于第1项、总持续时间可能比脉冲数更重要。 如果15.9A 峰值正弦波周期小于180ms、则在 Ta=85C 时看起来正常。

    然而 、在 Ta=105C 条件下、看起来与 DRV8144-Q1微不足道。 它可能是可以的、也可能不是可以的。 这是18V 时的最坏情况仿真结果。 那么、我们可能会遇到太多最坏的情况。

    我认为、如果您可以将 DRV8145-Q1作为备用解决方案、这是安全的。

    此致

    Shinya Morita