下午好!
我设计了采用 MCT8329A 的定制电路板-它运行良好、通信良好。
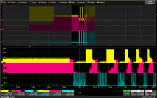
在测试过程中、我倾向于有意打破限制、以便我可以记录限制并花时间了解这些限制失败的原因以及如何修复/恢复到工作状态。 我已经用我的设计完成了这项工作、但我偶然发现了一个头部刮刀。
我发现 VDS_OCP 故障与 LOSS_OF_SYNC 故障之间存在相关性、但似乎无法准确指出它们之间的关系。 通常、我发现重复触发 VDS_OCP 故障(约3-4次)会表现为 LOSS_OF_SYNC 故障。 此 LOSS_OF_SYNC 故障已成为"死亡故障"、因为在发生该故障后、我无法将电路板恢复/返工到工作状态。 仍然可以与电路板进行通信-我可以读取/写入寄存器并正常发送 I2C 命令。 在清除故障后、控制器不断地尝试启动电机(我可以听到电机尝试机械对齐的声音)、但似乎永久触发 LOSS_OF_SYNC。
我已经尝试调整 A1和 A2 CL_ACC 以及调整时间以便使其无效-只是最后损坏 FET。
栅极驱动电阻器发挥作用、似乎没有其他器件受到影响、只有 FET。
我将继续运行测试、看看我是否可以跟踪这种行为、但与此同时、我想看看是否有人愿意/可以对此发表任何评论、以帮助我更好地理解这两个故障之间的关系。
谢谢!











