This thread has been locked.

If you have a related question, please click the "Ask a related question" button in the top right corner. The newly created question will be automatically linked to this question.

[参考译文] DRV10983:上电序列

Guru**** 2468460 points
Other Parts Discussed in Thread: DRV10983

请注意,本文内容源自机器翻译,可能存在语法或其它翻译错误,仅供参考。如需获取准确内容,请参阅链接中的英语原文或自行翻译。

https://e2e.ti.com/support/motor-drivers-group/motor-drivers/f/motor-drivers-forum/1273607/drv10983-power-up-sequence

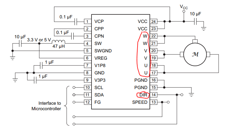
器件型号:DRV10983

大家好、

该器件使用六步换向方法在定子线圈中产生旋转磁场、以驱动转子运动。 但没有 详细 介绍此电机驱动器的六步换向序列。  

如上图所示、当 DIR 引脚设置为3.3V 时、您能否帮助分享电机闭环状态下 UVW 三相的上电序列? 当 DIR 引脚设置为 GND 时、在电机闭环状态下、UVW 的三相上电序列是什么?  

您能帮助检查这个问题吗? 谢谢。

此致、

切里

  • 请注意,本文内容源自机器翻译,可能存在语法或其它翻译错误,仅供参考。如需获取准确内容,请参阅链接中的英语原文或自行翻译。

    您好、Cherry:

    DRV10983实现正弦180度换向、而不是6步换向。 有关更多详细信息、请参阅以下 TIPL 视频。

    https://www.ti.com/video/6213425702001

    当 DIR 引脚为 低电平时、相位驱动序列为 U→V→W
    当为高电平时、相位驱动序列为 U→W→V