请注意,本文内容源自机器翻译,可能存在语法或其它翻译错误,仅供参考。如需获取准确内容,请参阅链接中的英语原文或自行翻译。
器件型号:DRV8714-Q1 大家好、
我对处于制动模式时的过流保护功能有疑问。
数据表中对其进行了如下描述。
假设在启用制动功能且低侧 FET 导通时 SH 引脚对电池短路。
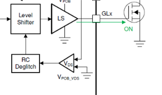
#1. 什么是"具有模拟 RC 抗尖峰脉冲滤波器的简单过流检测器电路"? 器件内部是否采用以下 VDS 比较器和 RC 抗尖峰脉冲块?
#2. 此 VDS 比较器的阈值是多少、RC 抗尖峰脉冲块需要多长时间?
'如果功率级出现对电源短路故障、可使用一个简单的过流检测器电路
配有模拟 RC 抗尖峰脉冲滤波器、可在检测到高电流事件时禁用低侧 MOSFET
制动时。 这是有必要的、因为正常过流保护电路在器件期间被禁用
低功耗睡眠模式。 过流比较器和 RC 抗尖峰脉冲滤波器的值是固定的、
已调整。'

此致、

