大家好、

如上图所示、在单电阻采样设计中、连接到采样电阻器高端的大型电解电容器的接地与低端之间有何差异?
此致、
安妮
This thread has been locked.
If you have a related question, please click the "Ask a related question" button in the top right corner. The newly created question will be automatically linked to this question.
大家好、

如上图所示、在单电阻采样设计中、连接到采样电阻器高端的大型电解电容器的接地与低端之间有何差异?
此致、
安妮
嘿、Annie。
漏极至 GND 电容器 (C16)用作 去耦电容器。 检测电阻(C28/C32)上的接地电容用作输入滤波电容。
有关详细信息、请查看以下应用手册的第4.1节。
https://www.ti.com/lit/an/slvaf66/slvaf66.pdf
此致!
阿克沙伊
尊敬的 Akshay:

客户以前阅读过此文档、但仍然无法回答他的问题。
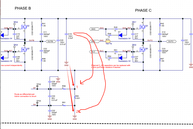
他的问题是、C16的接地端连接到图中的点1 (R60的上限)和图中的点2 (外部电源接地 GND)。 它对单电阻器电流采样有任何影响吗?
客户的理解是这会产生影响。 因为如果连接到1、则大型电解电容器(尽管此处仅为2.2uF)将形成一个电源环路、该电流不会通过采样电阻器 R60。 是这样吗?
此致、
安妮
嘿、Annie。
客户可按照应用手册第4.3节中所述、将高侧漏极添加到低侧源极电容器、帮助抑制低侧源极和 GND 上的负反弹。
这些电容器的值通常为0.01uF 至1uF。 我建议使用可测试其对您的系统带来的优势的封装。
您是否有 MOSFET 漏极大容量电容器? 强烈建议始终使用它们。 几个100-µF 到330-µF 电容器与几个1 µF 到2.2 µF 并联是一个很好的起点、以后可以替换更多的封装。
此致!
阿克沙伊