This thread has been locked.

If you have a related question, please click the "Ask a related question" button in the top right corner. The newly created question will be automatically linked to this question.

[参考译文] DRV8329-Q1:电荷泵的电压

Guru**** 2393725 points


请注意,本文内容源自机器翻译,可能存在语法或其它翻译错误,仅供参考。如需获取准确内容,请参阅链接中的英语原文或自行翻译。

https://e2e.ti.com/support/motor-drivers-group/motor-drivers/f/motor-drivers-forum/1450793/drv8329-q1-voltage-for-charge-pump

器件型号:DRV8329-Q1

工具与软件:

大家好、团队成员:

我注意到高侧驱动器由数据表方框图中的涓流电荷泵电压供电、据说涓流 CP 电压等于 VGVDD。 虽然我发现低侧驱动器由 VGVDD 供电、但这是否意味着 HS 和 LS 具有相同的电压电源? 如果我的理解正确、HS 是否应该有更高的电压? 而涓流 CP 的提议是什么?

谢谢

此致!

Frank

  • 请注意,本文内容源自机器翻译,可能存在语法或其它翻译错误,仅供参考。如需获取准确内容,请参阅链接中的英语原文或自行翻译。

    嗨、Frank、

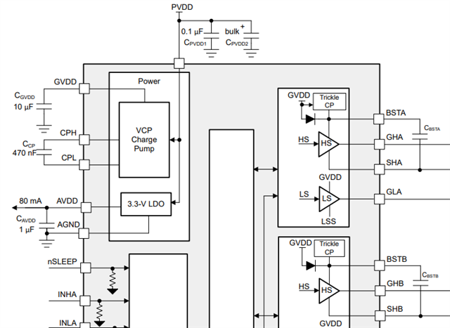
    请参阅下图。

    GVDD 是 HS 和 LS FET 的电源。 我们使用自举电容器来产生以 SHx 为基准的高侧栅极驱动电压、方法是首先对 BST 电容器接地(将 SHx 连接到 GND)、然后将其基准到 SHx。 因此 BST 将覆盖 SHx 电压。

    涓流电荷泵的目的是帮助补充 BST 电容以实现100%占空比、否则需要开启 GLx 以为 BST 电容充电。

    此致!

    Akshay