请注意,本文内容源自机器翻译,可能存在语法或其它翻译错误,仅供参考。如需获取准确内容,请参阅链接中的英语原文或自行翻译。
器件型号:DRV2511-Q1 工具与软件:
大家好、团队成员:
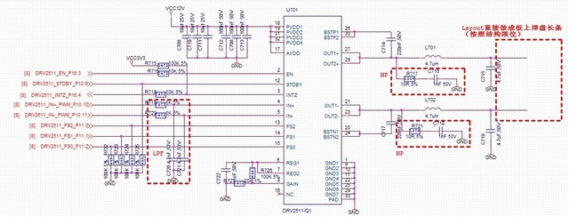
您能不能回顾一下 DRV2511-Q1的原理图? 如果有任何意见可以改进设计、将不胜感激。 谢谢!

此致!
Frank
This thread has been locked.
If you have a related question, please click the "Ask a related question" button in the top right corner. The newly created question will be automatically linked to this question.
工具与软件:
大家好、团队成员:
您能不能回顾一下 DRV2511-Q1的原理图? 如果有任何意见可以改进设计、将不胜感激。 谢谢!

此致!
Frank