This thread has been locked.

If you have a related question, please click the "Ask a related question" button in the top right corner. The newly created question will be automatically linked to this question.

[参考译文] MCF8316A:MCF8316A 与 MCF8316C

Guru**** 2614265 points
Other Parts Discussed in Thread: MCF8316A, MCF8316D

请注意,本文内容源自机器翻译,可能存在语法或其它翻译错误,仅供参考。如需获取准确内容,请参阅链接中的英语原文或自行翻译。

https://e2e.ti.com/support/motor-drivers-group/motor-drivers/f/motor-drivers-forum/1429061/mcf8316a-mcf8316a-vs-mcf8316c

器件型号:MCF8316A
主题中讨论的其他器件: MCF8316D

工具与软件:

我用评估板以70k rpm 的转速运行电机、没有问题。 当我将这些相同的设置传输到我的定制电路板时、电机运转起来、但是它停止并且复位在55k rpm 左右。

评估板使用 PN:MCF8316C、而我的定制板使用 MCF8316A。

我已经确认电源不是问题的根本原因、因为我可以在定制电路板上使用稳压器来运行评估板、而不会出现问题。  

我在示波器上的复位/故障事件期间监测到相电流和 VM。 VM 不会下降或过冲(18V +/- 1V)。 另一方面、相电流会在复位/故障发生之前激增。 我通过此事件在 GUI 中没有收到 HW_LOCK_LIMIT 故障、但驱动器芯片可能具有自我保护而不会触发故障。 DVDD 未被使用。 AVDD 在整个故障期间保持稳定、就像 VM 一样。

我本人看不到任何明显的问题、并希望能在解决问题方面提供一些指导。  

  • 请注意,本文内容源自机器翻译,可能存在语法或其它翻译错误,仅供参考。如需获取准确内容,请参阅链接中的英语原文或自行翻译。

    您好、Joe。

    您是否在定制电路板上使用 I2C 模式对此进行了测试? 如何控制速度?

    希望 SPEED 引脚上没有模拟信号差异。

    此外、您可以在此链接 (+)[常见问题解答]中参阅 MCF8316A 的勘误表列表量产器件信息-电机驱动器论坛-电机驱动器- TI E2E 支持论坛

    谢谢、此致

    Venkatadri S.

  • 请注意,本文内容源自机器翻译,可能存在语法或其它翻译错误,仅供参考。如需获取准确内容,请参阅链接中的英语原文或自行翻译。

    您好、Joe。

    您是否可以共享 JSON 文件?

    谢谢、此致

    Venkatadri S.

  • 请注意,本文内容源自机器翻译,可能存在语法或其它翻译错误,仅供参考。如需获取准确内容,请参阅链接中的英语原文或自行翻译。

    我已经在电路板上测试了 I2C 模式。 SPEED 引脚看起来被拉高(它在 I2C 模式下是否应悬空)?

    .e2e.ti.com/.../Working-Config-25W-_2D00_-Copy.json.txt

    e2e.ti.com/.../Custom-Board-Config-_2D00_-Copy.json.txt

  • 请注意,本文内容源自机器翻译,可能存在语法或其它翻译错误,仅供参考。如需获取准确内容,请参阅链接中的英语原文或自行翻译。

    您好、Joe。

    感谢您分享 JSON、我会验证这一点并回复您。

    谢谢、此致

    Venkatadri S.

  • 请注意,本文内容源自机器翻译,可能存在语法或其它翻译错误,仅供参考。如需获取准确内容,请参阅链接中的英语原文或自行翻译。

    您好、Venkatadri、您能提供更新吗?

  • 请注意,本文内容源自机器翻译,可能存在语法或其它翻译错误,仅供参考。如需获取准确内容,请参阅链接中的英语原文或自行翻译。

    您好、Joe。

    我本周不在办公室、但我计划在周末之前验证。

    我需要一些时间来回顾设置,我将在本周结束时作出回应

    谢谢、此致

    Venkatadri S.

  • 请注意,本文内容源自机器翻译,可能存在语法或其它翻译错误,仅供参考。如需获取准确内容,请参阅链接中的英语原文或自行翻译。

    好的、谢谢、最好在本周找到 JSON 的任何问题。

  • 请注意,本文内容源自机器翻译,可能存在语法或其它翻译错误,仅供参考。如需获取准确内容,请参阅链接中的英语原文或自行翻译。

    您好、Joe。

    我今天回到工作表格、我会尽早回答这些问题。

    谢谢、此致

    Venkatadri S.

  • 请注意,本文内容源自机器翻译,可能存在语法或其它翻译错误,仅供参考。如需获取准确内容,请参阅链接中的英语原文或自行翻译。

    您好、Joe。

    我查看了第一个 JSON、根据、电机的电阻为225m Ω、电感为6uH、BEMF 为6mV。 您能否确认您是如何测量这些参数的、我们首先要确认输入的参数是否正确。

    开环的电流限制是8A? 您需要这么大的电流吗?

    当处于最大速度/负载时、您在一个相位上看到多大的电流?

    我怀疑发生了热关断事件、请分享电机参数和额定值。

    您是否可以尝试冷却电路板并检查它是否可以运行?  

    谢谢、此致

    Venkatadri S.

  • 请注意,本文内容源自机器翻译,可能存在语法或其它翻译错误,仅供参考。如需获取准确内容,请参阅链接中的英语原文或自行翻译。

    您好、Joe。

    您在这方面有什么进展吗?

    谢谢、此致

    Venkatadri S.

  • 请注意,本文内容源自机器翻译,可能存在语法或其它翻译错误,仅供参考。如需获取准确内容,请参阅链接中的英语原文或自行翻译。

    使电路板冷却没有改变结果。

  • 请注意,本文内容源自机器翻译,可能存在语法或其它翻译错误,仅供参考。如需获取准确内容,请参阅链接中的英语原文或自行翻译。

    您好、Joe。

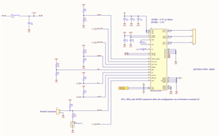
    您能否分享定制电路板原理图?

    电机的极对是多少?

    谢谢、此致

    Venkatadri S.

  • 请注意,本文内容源自机器翻译,可能存在语法或其它翻译错误,仅供参考。如需获取准确内容,请参阅链接中的英语原文或自行翻译。

    1极对电机。

  • 请注意,本文内容源自机器翻译,可能存在语法或其它翻译错误,仅供参考。如需获取准确内容,请参阅链接中的英语原文或自行翻译。

    您好、Joe。

    原理图看起来没有问题。

    我需要检查 MCF8316C 上的 GD_CONFIG1中是否存在 MIN_ON_TIME 配置、设置的值是什么? 在您之前分享的 JSON 中、显示0us、我们实际上应设置为"基于压摆率自动"。

    在 MCF8316A 上、最短导 通时间为1us、不可配置、因为 PWM 的这个最短导通时间为1us、我们可能无法看到满载、要检查此最短导通时间问题、我们可以在 MCF8316C 上将其配置为1us、并检查我们可以达到的最大速度是多少?

    您能否尝试探测相电流、以测量电机正在消耗的相电流的峰值是多少? 这是检查热关断或其他情况。

    谢谢、此致

    Venkatadri S.

  • 请注意,本文内容源自机器翻译,可能存在语法或其它翻译错误,仅供参考。如需获取准确内容,请参阅链接中的英语原文或自行翻译。

    大家好、我尝试以1us min_on_time 运行评估板(MCF8316C)、结果看起来没有改变性能。 在卡在复位环路中之前、仍在评估板(MCF8316C)上看到全速、在定制板(MCF8316A)上看到最大速度为80%。

  • 请注意,本文内容源自机器翻译,可能存在语法或其它翻译错误,仅供参考。如需获取准确内容,请参阅链接中的英语原文或自行翻译。

    我还想了解有关 ALIGN_BRAKE 功能的更多信息... 今天是否有生产中的芯片能够使用此功能?

  • 请注意,本文内容源自机器翻译,可能存在语法或其它翻译错误,仅供参考。如需获取准确内容,请参阅链接中的英语原文或自行翻译。

    你好、Joe

    让我重新研究一下速度问题。

    我们发布了 MCF8316D、您可以在 TI 上搜索它。 com 中获得。

    谢谢、此致  

    Venkatadri S.  

  • 请注意,本文内容源自机器翻译,可能存在语法或其它翻译错误,仅供参考。如需获取准确内容,请参阅链接中的英语原文或自行翻译。

    您好、Joe。

    我也想尝试从你这边的一个实验。

    您能否替换定制电路板上的 MCF8316C 并进行重新测试?

    由于它卡在复位环路中(请确认您是如何看到复位的)、因此可能是一些不同的问题、我们需要通过隔离来测试。

    谢谢、此致

    Venkatadri S.

  • 请注意,本文内容源自机器翻译,可能存在语法或其它翻译错误,仅供参考。如需获取准确内容,请参阅链接中的英语原文或自行翻译。

    谢谢! 我假设 MCF8316D 具有 ALIGN_BRAKE 功能?

  • 请注意,本文内容源自机器翻译,可能存在语法或其它翻译错误,仅供参考。如需获取准确内容,请参阅链接中的英语原文或自行翻译。

    您好、Joe。

    是的 D 版本数据表现已在 TI.com 上提供。

    谢谢、此致

    Venkatadri S.

  • 请注意,本文内容源自机器翻译,可能存在语法或其它翻译错误,仅供参考。如需获取准确内容,请参阅链接中的英语原文或自行翻译。

    它具有 ALIGN_BRAKE 功能? 我知道 MCF8316C 的该特性在数据表中列出、但没有通过 IC / GUI 实现/可以使用该特性。 只是想确保我正确理解您的回答。

  • 请注意,本文内容源自机器翻译,可能存在语法或其它翻译错误,仅供参考。如需获取准确内容,请参阅链接中的英语原文或自行翻译。

    大家好、Venkatadri、我能够在我的定制板上将 MCF8316A 替换为 MCF8316C、现在可以全速工作了! 我将在该线程底部回答 ALIGN_BRAKE 问题后关闭该项目! 非常感谢!

  • 请注意,本文内容源自机器翻译,可能存在语法或其它翻译错误,仅供参考。如需获取准确内容,请参阅链接中的英语原文或自行翻译。

    您好、Joe。

    MCF8316D 具有行车制动功能、请验证数据表。

    谢谢、此致

    Venkatadri S.

  • 请注意,本文内容源自机器翻译,可能存在语法或其它翻译错误,仅供参考。如需获取准确内容,请参阅链接中的英语原文或自行翻译。

    谢谢、我在数据表中看到它。

    但是、我也会在 MCF8316A 和 MCF8316C 的数据表中看到这一点。 当我尝试实施时、有人告诉我此功能尚未准备好投入生产、因此该功能仅用于测试。 我无法使用 GUI 的这一特性、有人告诉我这是设计使然。 因此、我想要确认的是、这款新器件确实具有可供生产使用的功能。 谢谢!

  • 请注意,本文内容源自机器翻译,可能存在语法或其它翻译错误,仅供参考。如需获取准确内容,请参阅链接中的英语原文或自行翻译。

    您好、Joe。

    是的、 在 D 版本上、我们可以使用对齐烘烤功能。

    感谢 Joe 进行了很好的讨论、请为新问题创建新主题。

    谢谢、此致

    Venkatadri S.