请注意,本文内容源自机器翻译,可能存在语法或其它翻译错误,仅供参考。如需获取准确内容,请参阅链接中的英语原文或自行翻译。
器件型号:DRV3946-Q1 工具与软件:
你好、专家
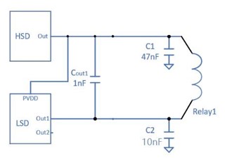
- 根据波形使用测得的周期时间计算 Q 值、是否还需要考虑 C1的电容器? 也可以仅使用 C2、如下图所示

- 如何将 Q 值传输到电流峰值? 请在星期四之前分享计算公式。
- 如果电流峰值小于 UCLO 阈值、我们需要返回到持续时间主题。
- 当电流低于 UCLO 阈值时、如何计算持续时间? 我们需要保证持续时间小于抗尖峰脉冲时间。
BR
林松