This thread has been locked.

If you have a related question, please click the "Ask a related question" button in the top right corner. The newly created question will be automatically linked to this question.

[参考译文] MSP430FR5043:用于钢管或燃气计量的外部 AFE 设计

Guru**** 2503965 points
Other Parts Discussed in Thread: EVM430-FR6043

请注意,本文内容源自机器翻译,可能存在语法或其它翻译错误,仅供参考。如需获取准确内容,请参阅链接中的英语原文或自行翻译。

https://e2e.ti.com/support/microcontrollers/msp-low-power-microcontrollers-group/msp430/f/msp-low-power-microcontroller-forum/1527146/msp430fr5043-design-of-external-afe-for-steel-pipes-or-gas-metering

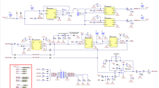
器件型号:MSP430FR5043
主题:EVM430-FR6043 中讨论的其他器件

工具/软件:

您好、这是 EVM430-FR6043 的原理图。 假设我只想从 3.3V 为 TX 供电、我可以跳过 U4、U5、U6。 U9 怎么样? 我认为这也可以删除。 至少我看不出缓冲芯片的任何原因,除了从 U9A2 到 RX 端的连接. 由于 B2 在 GND 上、A2 应该始终接地、这就引出了这个与 U10 连接的功能问题。 抱歉这个愚蠢的问题、我不是模拟专家。

感谢您的见解

基督教