This thread has been locked.

If you have a related question, please click the "Ask a related question" button in the top right corner. The newly created question will be automatically linked to this question.

[参考译文] 使用微控制器的垂体波形发生器

Guru**** 2762405 points

Other Parts Discussed in Thread: MSP430FR2111

请注意,本文内容源自机器翻译,可能存在语法或其它翻译错误,仅供参考。如需获取准确内容,请参阅链接中的英语原文或自行翻译。

https://e2e.ti.com/support/microcontrollers/msp-low-power-microcontrollers-group/msp430/f/msp-low-power-microcontroller-forum/578673/arbitary-waveform-generator-using-a-micro-controller

主题中讨论的其他部件:MSP430FR2111

亲爱的朋友们,您好!

下图是数据信号的图像,一个波形用于表示逻辑电平1,另一个180度相移波形代表逻辑0。 有人可以提供一些信息,说明我如何在微控制器上生成以下波形吗?

此致,
TM

  • 请注意,本文内容源自机器翻译,可能存在语法或其它翻译错误,仅供参考。如需获取准确内容,请参阅链接中的英语原文或自行翻译。

    Tapajit,您好!

    由于您的共模电压似乎是3VDC,最高可达4VDC,因此该电压超过了大多数MSP430器件的最大输入。 因此,您最好使用具有外部DAC的MSP430FR2111等微控制器来实现此波形。

    另外,请查看 使用MSP430高分辨率计时器 应用手册的PWM DAC。

    此致,

    詹姆斯

    MSP客户应用程序

  • 请注意,本文内容源自机器翻译,可能存在语法或其它翻译错误,仅供参考。如需获取准确内容,请参阅链接中的英语原文或自行翻译。

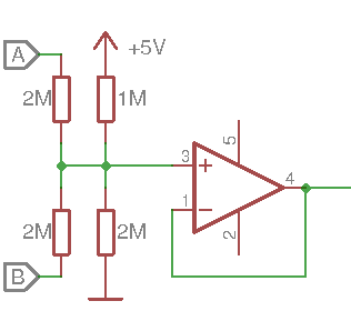
    使用5 V电源,您可以使用可重新配置的分压器生成三种电压:

    当A和B都接地时,输出为2 V。当A接地,B连接至5 V时,输出为3 V。当A和B都连接至5 V时,输出为4 V

    运算放大器用于降低输出阻抗(如果您要对输出施加负载)。

    MSP的运行电压不是5 V,因此请使用允许的电源(3.3 V或更低),并配置运算放大器以适当放大信号。

    如果需要正弦波,请将运算放大器配置为低通滤波器。

    有多种方法可从两个GPIO引脚输出A/B信号。 从中断处理程序写入PxOUT寄存器可能具有太多的延迟和抖动,但您可以使用两个计时器输出,或使用具有DMA的MSP模型,并将其配置为在计时器到期时向PxOUT写入新值。

  • 请注意,本文内容源自机器翻译,可能存在语法或其它翻译错误,仅供参考。如需获取准确内容,请参阅链接中的英语原文或自行翻译。

    尊敬的Clemens:

    下图是示波器上的信号。 该信号是从培训设置生成的。 请告诉我是否需要对上述电路进行任何修改。

  • 请注意,本文内容源自机器翻译,可能存在语法或其它翻译错误,仅供参考。如需获取准确内容,请参阅链接中的英语原文或自行翻译。
    如果我正确地解释标签,则电压会有所不同。

    那么您实际需要的电压是多少?
  • 请注意,本文内容源自机器翻译,可能存在语法或其它翻译错误,仅供参考。如需获取准确内容,请参阅链接中的英语原文或自行翻译。
    尊敬的Clemens:

    我将对示波器读数进行澄清。

    同时,如果我使用MCU GPIO引脚来控制上述电路中的A和B,请指导我如何识别上升时间,下降时间和传播延迟。 由于时间段是以“微秒”为单位,我应该选择哪个最小上升时间? 我是否可以查看TI白皮书或类似的白皮书,以便更好地理解。

    感谢你的支持,致以最诚挚的问候
    Tapajit
  • 请注意,本文内容源自机器翻译,可能存在语法或其它翻译错误,仅供参考。如需获取准确内容,请参阅链接中的英语原文或自行翻译。

    "识别"是什么意思? 您是否想知道如何使用示波器测量它们,或者如何设计电路?

    我不知道您需要什么上升时间;这取决于您的应用。 但第一张图片中的曲线暗示信号的确切形状无关紧要。

  • 请注意,本文内容源自机器翻译,可能存在语法或其它翻译错误,仅供参考。如需获取准确内容,请参阅链接中的英语原文或自行翻译。
    您好,
    请您更详细地解释一下,"但第一张图片中的曲线意味着信号的确切形状无关紧要"。

    第一个图像是我的解释,第二个图像来自与主系统类似的培训器单元连接的示波器。
  • 请注意,本文内容源自机器翻译,可能存在语法或其它翻译错误,仅供参考。如需获取准确内容,请参阅链接中的英语原文或自行翻译。

    第一幅图像显示数字信号和曲线。 但是,如果您希望形状与示波器轨迹类似,则需要数字(方波)信号。

    无论如何,您会将GPIO直接连接到A和B。您对此有什么确切的问题?