This thread has been locked.

If you have a related question, please click the "Ask a related question" button in the top right corner. The newly created question will be automatically linked to this question.

[参考译文] MSP430FR6972:对于低功耗LCD参考电压电路,哪个电路更好?

Guru**** 2540720 points


请注意,本文内容源自机器翻译,可能存在语法或其它翻译错误,仅供参考。如需获取准确内容,请参阅链接中的英语原文或自行翻译。

https://e2e.ti.com/support/microcontrollers/msp-low-power-microcontrollers-group/msp430/f/msp-low-power-microcontroller-forum/578162/msp430fr6972-for-low-power-lcd-reference-voltage-circuit-which-cuircuit-is-better

部件号:MSP430FR6972

您好,

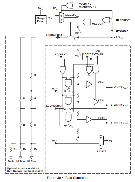
客户希望使用液晶屏构建超低功耗系统。

对于外部参考电路和内部参考电路之间的偏置电压, 哪个电路消耗的功率更低?

外部参考电路

内部参考电路

此致,

TED

  • 请注意,本文内容源自机器翻译,可能存在语法或其它翻译错误,仅供参考。如需获取准确内容,请参阅链接中的英语原文或自行翻译。
    您好,Ted,

    LCD偏置功耗的差异在数据表的第5.8 节中显示,但这不包括通过外部电阻器的电流。 客户可通过将其外部电阻相加除以供电电压 (e2e.ti.com/.../12.1965万)来计算此值

    此致,
    Ryan
  • 请注意,本文内容源自机器翻译,可能存在语法或其它翻译错误,仅供参考。如需获取准确内容,请参阅链接中的英语原文或自行翻译。
    内部偏压消耗的电流似乎更少。
    谢谢Ryan