你(们)好
你好。
我的客户想知道:
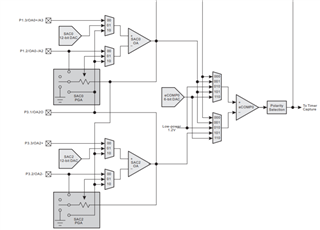
MSP430FR2355TRSMR 的数据表对 SAC 模拟运算放大器的详细信息非常了解。
1、ENI 噪声规格似乎非常低。 40uV、范围为0.1 - 10Hz。
但是、噪声密度规格为64和28nV/sqrt (Hz)。
我不能相信该器件具有0.1至10Hz 之间的几个数量级的噪声。 噪声密度确实会上升、但它确实是如此高吗?
2.是否有您可以提供的噪声密度(nV/sqrt (Hz)随频率变化的图?
3.当我选择内部电阻分路器来设置运算放大器的增益时、反馈和输入电阻的值是多少。 数据表显示、我可以将增益设置为1x 至32x、但不知道电阻器的电阻、我不知道运算放大器的 NF 是什么。 此外、我无法计算运算放大器将加载馈入运算放大器的电路/传感器的大小。
此致
Aosker


