This thread has been locked.

If you have a related question, please click the "Ask a related question" button in the top right corner. The newly created question will be automatically linked to this question.

[参考译文] MSP430F5528:针对内部 USB LDO 输出电压进行配置

Guru**** 2534600 points
Other Parts Discussed in Thread: TLV733P

请注意,本文内容源自机器翻译,可能存在语法或其它翻译错误,仅供参考。如需获取准确内容,请参阅链接中的英语原文或自行翻译。

https://e2e.ti.com/support/microcontrollers/msp-low-power-microcontrollers-group/msp430/f/msp-low-power-microcontroller-forum/869656/msp430f5528-configure-for-internal-usb-ldo-output-voltage

器件型号:MSP430F5528
主题中讨论的其他器件:TLV733P

大家好、

配置 内部 LDO 输出电压时出现问题。 我想为电路板使用内部 LDO 输出。

我将 USB_USE_INTERNAL_3V3LDO 置 位为 true。

但它无法正常工作、USB 接口无法检测到。

当我将 VUSB 引脚连接到为3V3供电时、它可以工作。

请帮我解释一下。

这是远程信息处理

谢谢、

Huy Huynh

  • 请注意,本文内容源自机器翻译,可能存在语法或其它翻译错误,仅供参考。如需获取准确内容,请参阅链接中的英语原文或自行翻译。

    你(们)好  

    您是否测量了 DVCC 上的电压?

    电流是否超过数据表中内部 LDO 的最大电流限制12mA?  

  • 请注意,本文内容源自机器翻译,可能存在语法或其它翻译错误,仅供参考。如需获取准确内容,请参阅链接中的英语原文或自行翻译。

    您好、Gary、

    我测量 DVCC = 3V3。

     VUSB 引脚、内部 LDO 输出也是3V3。 这意味着内部 LDO 处于活动状态。

    谢谢、

    Huy Huynh

  • 请注意,本文内容源自机器翻译,可能存在语法或其它翻译错误,仅供参考。如需获取准确内容,请参阅链接中的英语原文或自行翻译。

    您是否将内部 LDO 输出3V3用于其他器件? 还是仅用于 MSP430?

  • 请注意,本文内容源自机器翻译,可能存在语法或其它翻译错误,仅供参考。如需获取准确内容,请参阅链接中的英语原文或自行翻译。

    我只用于 MSP430、但 USB 接口不起作用。

  • 请注意,本文内容源自机器翻译,可能存在语法或其它翻译错误,仅供参考。如需获取准确内容,请参阅链接中的英语原文或自行翻译。

    当我设置 USB_use_internal_3V3LDO 时为 false。 它将输出3V3。

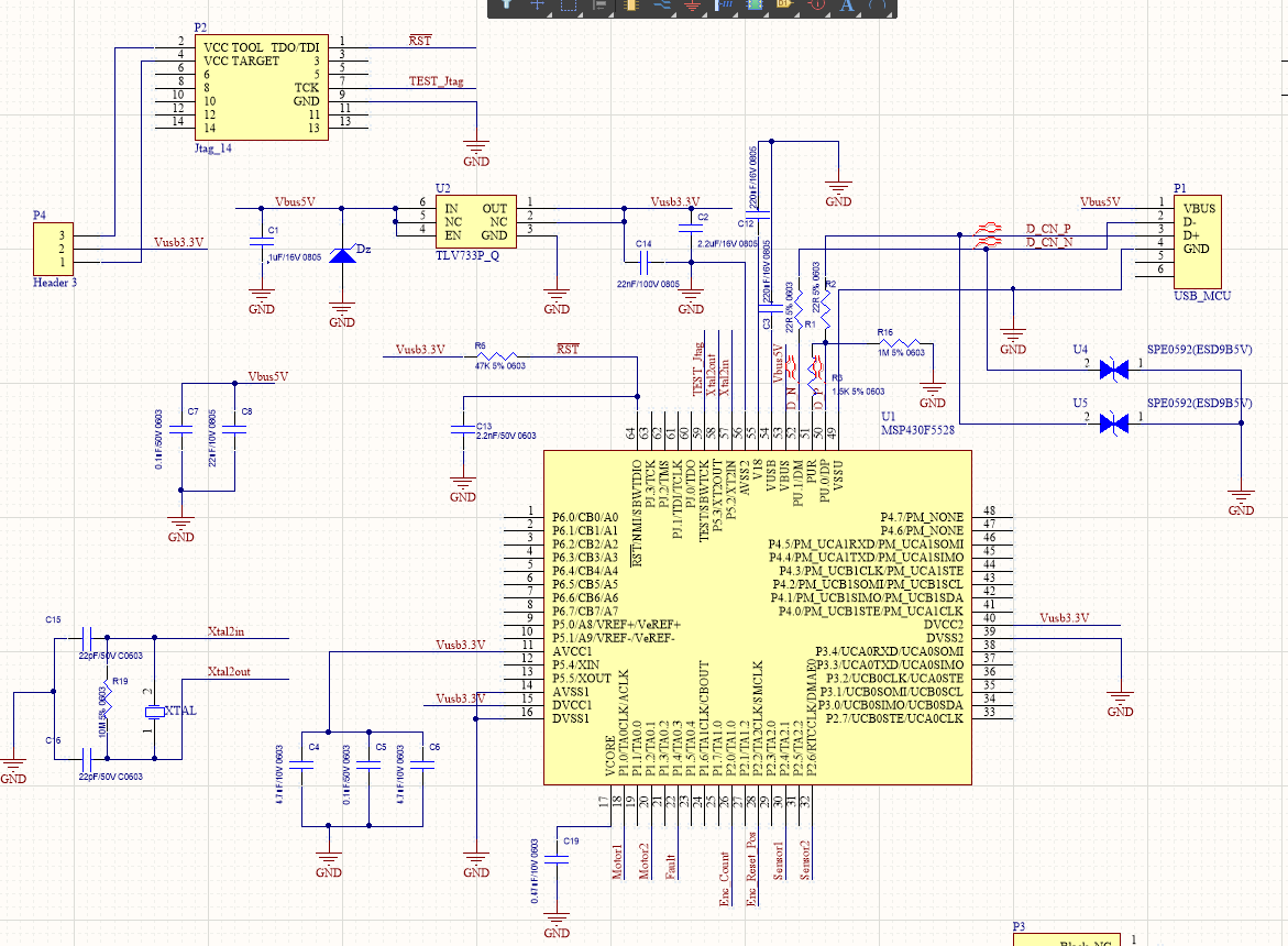
    我再次更新原理图。

    DVCC 由 外部 LDO 供电。

    USB 接口仅在我使用3V3电压连接 VUSB 引脚时检测。

  • 请注意,本文内容源自机器翻译,可能存在语法或其它翻译错误,仅供参考。如需获取准确内容,请参阅链接中的英语原文或自行翻译。

    你(们)好  

    我在 VUSB 引脚上看不到任何单个引脚、我只看到该引脚上的端子建议电容为220uF。

  • 请注意,本文内容源自机器翻译,可能存在语法或其它翻译错误,仅供参考。如需获取准确内容,请参阅链接中的英语原文或自行翻译。

    您好、Gary、

    请您详细解释一下这一个吗?

    首先、我们将 VUSB 引脚与 外部 LDO 连接 、后者将 VBUS 5V 转换为3V3。 使用这种方法时、USB 接口可以检测到。

    为了避免与 VUSB 引脚的内部 LDO 的3V3输出发生冲突、我们将参数 USB_USE_INTERNAL_3V3LDO 设置为 false。

    但 USB 接口无法检测、因此我们进行了当前设计。 我们使用 3V3电压从外部 LDO 断开 VUSB 引脚、并将 USB_USE_INTERNAL_3V3LDO 设置为 true。

    但 USB 接口也无法检测到。

    请给我你的建议。

    谢谢、

    Huy Huynh

  • 请注意,本文内容源自机器翻译,可能存在语法或其它翻译错误,仅供参考。如需获取准确内容,请参阅链接中的英语原文或自行翻译。

    你(们)好

    如果您希望 VUSB 为 MSP430供电、则需要将 VUSB 引脚连接到 DVCC 和 AVCC 外部。 我们在那里没有内部连接。  

    请注意 VUSB 的电流限制。

  • 请注意,本文内容源自机器翻译,可能存在语法或其它翻译错误,仅供参考。如需获取准确内容,请参阅链接中的英语原文或自行翻译。

    您好、Gary、

    我不想 使用 VUSB 为 MSP430供电。 我有用于 DVCC 和 AVCC 的外部 LDO。

    如何将外部 LDO 用于具有 VBUS 的 MSP430。

    谢谢、

    Huy Huynh

  • 请注意,本文内容源自机器翻译,可能存在语法或其它翻译错误,仅供参考。如需获取准确内容,请参阅链接中的英语原文或自行翻译。

    你(们)好  

       在调试模式下、您能帮我检查寄存器 USBPWRCTL 中是否设置了 SLDOEN 和 VUSBEN 吗?

    这似乎是系统 Vusb3.3V 设置太慢了。  加电时、您能否捕获 Vusb3.3和 Vbus5V 波形?

  • 请注意,本文内容源自机器翻译,可能存在语法或其它翻译错误,仅供参考。如需获取准确内容,请参阅链接中的英语原文或自行翻译。

    您好、Gary、

    我找到 原因、外部 LD 问题、TLV733P。 它仅输出1V。