This thread has been locked.

If you have a related question, please click the "Ask a related question" button in the top right corner. The newly created question will be automatically linked to this question.

[参考译文] MSP430FR6043:帮助了解 EVM430-FR6043参考设计

Guru**** 2585275 points
Other Parts Discussed in Thread: EVM430-FR6043, OPA836, TDC1000

请注意,本文内容源自机器翻译,可能存在语法或其它翻译错误,仅供参考。如需获取准确内容,请参阅链接中的英语原文或自行翻译。

https://e2e.ti.com/support/microcontrollers/msp-low-power-microcontrollers-group/msp430/f/msp-low-power-microcontroller-forum/853555/msp430fr6043-help-in-understanding-the-evm430-fr6043-reference-design

器件型号:MSP430FR6043
主题中讨论的其他器件:EVM430-FR6043OPA836TDC1000

你(们)好

我正在尝试分析 EVM430-FR6043参考设计。
我无法确定下面突出显示的两个部分的功能。

有人能解释这些块背后的想法吗?


/Adam

  • 请注意,本文内容源自机器翻译,可能存在语法或其它翻译错误,仅供参考。如需获取准确内容,请参阅链接中的英语原文或自行翻译。

    你(们)好

  • 请注意,本文内容源自机器翻译,可能存在语法或其它翻译错误,仅供参考。如需获取准确内容,请参阅链接中的英语原文或自行翻译。

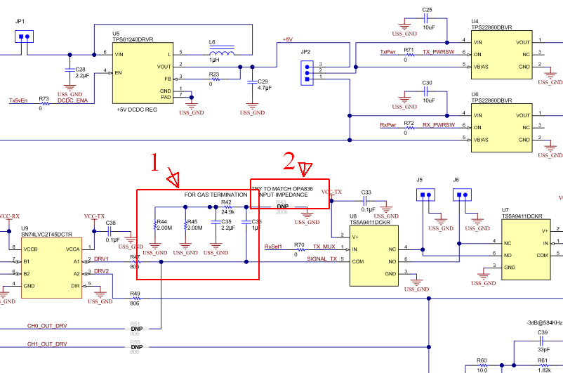
    大家好、原理图表示交流耦合阻抗为24k 欧姆、该阻抗用于模拟与底部右侧电路块已切断的类似负载(与 OPA836相同)。  想法是为 TX/RX 侧构建一个负载对称。 可以看到两个 SPDT 作为一种交叉多路复用器。 为了避免任何反射、RX 和 TX 侧需要匹配。 所以理论...  

    祝你度过美好的一天

      Johann

  • 请注意,本文内容源自机器翻译,可能存在语法或其它翻译错误,仅供参考。如需获取准确内容,请参阅链接中的英语原文或自行翻译。

    你(们)好、Johann

    感谢您的回答。
    为了简化、我们可以像下面那样重新绘制原理图。

    进一步详细介绍一下、您能否解释一下为什么这两个阻抗 Z1和 Z2必须相等?
    为什么必须采用这种负载对称(RX 和 TX)来避免任何反射?
    可能存在这种等性、以便 TX 和 RX 的时间响应对称。

    /Adam

  • 请注意,本文内容源自机器翻译,可能存在语法或其它翻译错误,仅供参考。如需获取准确内容,请参阅链接中的英语原文或自行翻译。

    尊敬的 Adam:

    是的、您说得对、Z1和 Z2具有复杂的阻抗和直流存储功能。

    因此,如果您切换换传感器的方向,它们将再次发现相同的负载条件,并且不会产生失真环....

    计数器示例:如果水中因任何原因产生了一些噪声(脉冲)、它将在传感器中产生一些电压(通过其连接的负载放电)、让我们假设 Z1;如果在放电期间使用不同的阻抗切换到 Z2、则负载条件会发生变化。 相应的阶跃响应会导致传感器中出现一些振铃、从而可能干扰紧随其后的测量。  

    此处的直流部件也很重要、因为静态(或缓慢变化)水压会导致换能器发生静态(或缓慢变化)变形。 更改其上的负载也会导致阶跃响应、从而导致振铃、您希望避免这种情况。

    STEP 脉冲和 DIRac 脉冲包含所有频率,因此可能导致换能器振铃....

    Johann

  • 请注意,本文内容源自机器翻译,可能存在语法或其它翻译错误,仅供参考。如需获取准确内容,请参阅链接中的英语原文或自行翻译。

    您好 Johann、

    感谢您的详细回答。

    >如果水中因任何原因产生了一些声学噪声(脉冲)
    >它将在换能器中产生一些电压、该电压通过其连接的负载放电...

    在 TDC1000的参考设计(www.ti.com/.../tidrev1.pdf)上、我们可以找到不同的方法。
    两个晶体管(Q5、Q6)用于在不活动期间将 TX/RX 接地。

    您会评论一下、哪种方法更好?

    /Adam

  • 请注意,本文内容源自机器翻译,可能存在语法或其它翻译错误,仅供参考。如需获取准确内容,请参阅链接中的英语原文或自行翻译。

    尊敬的 Adam:

    通过在需要时将输出级驱动为低电平、还可以使用'FR6043实现相同的"接地"。。   但是、还有更多。 超声波仪表应准确测量流量、有时超声波仪表不会单独测量;例如、在公寓分布中、现在为了避免相互干扰、 最好偶尔聆听一次、以便及时找到测量的好时机... 这不仅适用于存在其他仪表的情况。

    BTW TDC1000/7200和 MSP430FR604x 器件都是传输时间流量测量器件。 但是、基本原则有很大不同。 TDC 是秒表、而 MSP430FR604x 器件使用和具有相关关系的 ADC 来计算从采集曲率的时间漂移。

    祝你度过美好的一天

      Johann