Other Parts Discussed in Thread: MSP430F2132
请注意,本文内容源自机器翻译,可能存在语法或其它翻译错误,仅供参考。如需获取准确内容,请参阅链接中的英语原文或自行翻译。
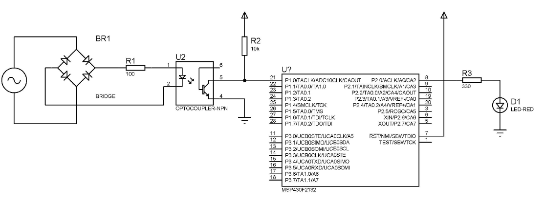
器件型号:MSP430F2132 我面临另一个挑战、因此、如果可能、您可以帮助我并共同发展。 我希望你能帮助我在这方面和下一个方面取得成功。 我也想在 Forúm 上发帖以获得一定的分数。 下面是一个描述性图表、随附图。
开发固件以控制由 MSP430F2132微控制器、整流桥、光耦合器和 LED 组成的硬件。 P1端口引脚应配置为与外部中断相关的数字输入。 红色 LED 应每20个电网周期改变一次状态。
