请注意,本文内容源自机器翻译,可能存在语法或其它翻译错误,仅供参考。如需获取准确内容,请参阅链接中的英语原文或自行翻译。
器件型号:MSP430I2021 大家好、
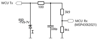
您是否在 以下原理图中看到了将 MCU Rx 上的电压保持在 Vcc+0.3V 最大值(Vcc=3.3V)以下的任何方法? 电路板已经过制造、电阻器无法再更改。



谢谢!
弗朗茨
This thread has been locked.
If you have a related question, please click the "Ask a related question" button in the top right corner. The newly created question will be automatically linked to this question.
大家好、
您是否在 以下原理图中看到了将 MCU Rx 上的电压保持在 Vcc+0.3V 最大值(Vcc=3.3V)以下的任何方法? 电路板已经过制造、电阻器无法再更改。



谢谢!
弗朗茨