This thread has been locked.

If you have a related question, please click the "Ask a related question" button in the top right corner. The newly created question will be automatically linked to this question.

[参考译文] MSP430FR6989:LCD_C 控制器:内部分压器的电阻器大小

Guru**** 2616675 points

Other Parts Discussed in Thread: MSP430FR6989

请注意,本文内容源自机器翻译,可能存在语法或其它翻译错误,仅供参考。如需获取准确内容,请参阅链接中的英语原文或自行翻译。

https://e2e.ti.com/support/microcontrollers/msp-low-power-microcontrollers-group/msp430/f/msp-low-power-microcontroller-forum/1286135/msp430fr6989-lcd_c-controller-size-of-the-resistors-of-the-internal-voltage-divider

器件型号:MSP430FR6989

您好!

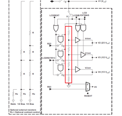
我目前正在测试驱动显示屏时 MSP430FR6989的功耗。 这样做时、我要比较外部分压器和内部分压器、以提供偏置电压。 但是、我无法在任何地方找到内部分压器的电阻器大小规格。 可以帮助我解决这个问题吗?

非常感谢。
托比亚斯·欣德尔

  • 请注意,本文内容源自机器翻译,可能存在语法或其它翻译错误,仅供参考。如需获取准确内容,请参阅链接中的英语原文或自行翻译。

    您需要询问该电阻器值吗? 您能向我展示如何组合外部分压器和内部分压器吗?

  • 请注意,本文内容源自机器翻译,可能存在语法或其它翻译错误,仅供参考。如需获取准确内容,请参阅链接中的英语原文或自行翻译。

    你好、我 不想把它们合并在一起。  我想知道电阻值、只是将外部分压器与内部分压器进行比较的方向。 但我不想同时使用这两者。

  • 请注意,本文内容源自机器翻译,可能存在语法或其它翻译错误,仅供参考。如需获取准确内容,请参阅链接中的英语原文或自行翻译。

    电阻值取决于 LCD 负载。 如果您不关心功耗、可以使用10kR 作为示例。

  • 请注意,本文内容源自机器翻译,可能存在语法或其它翻译错误,仅供参考。如需获取准确内容,请参阅链接中的英语原文或自行翻译。

    啊、好的、那么内部分压器没有固定值、但取决于所用的显示屏、对吧?

  • 请注意,本文内容源自机器翻译,可能存在语法或其它翻译错误,仅供参考。如需获取准确内容,请参阅链接中的英语原文或自行翻译。

    我认为内部分压器具有固定值。 但很抱歉、我内部也找不到该信息。 由于您需要使用外部电阻器来使 LCD 正常工作、我认为您可以遵循我之前的建议、而不是参考内部电阻器值。

  • 请注意,本文内容源自机器翻译,可能存在语法或其它翻译错误,仅供参考。如需获取准确内容,请参阅链接中的英语原文或自行翻译。

    好的、感谢您的帮助