主题中讨论的其他器件: TRF7970A、MSPM0L1306、 TRF7960
工具/软件:
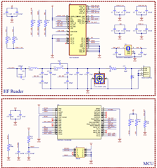
您好、在下图中、您可以在电路板上看到 TRF7960A 的连接。 事实上、我正在发送 ISO14443A 的 REQA 命令、我预计 Tx IRQ 结束、但从未发生过。 IRQ 引脚应始终为低电平、并设置为高电平以请求中断、对吧? 嗯、我正在使用示波器测量 IRQ 引脚、并且始终处于高电平。我正在调试代码以查看 IRQ 是否发生以及何时发生、我发现即使在第一步之前、IRQ 引脚仍为高电平、这可能意味着 TRF7960A 通电后它会立即变为高电平、这可能是什么原因?
