This thread has been locked.

If you have a related question, please click the "Ask a related question" button in the top right corner. The newly created question will be automatically linked to this question.

[参考译文] CC8531:[CC8531]参考电路相关查询

Guru**** 2455560 points


请注意,本文内容源自机器翻译,可能存在语法或其它翻译错误,仅供参考。如需获取准确内容,请参阅链接中的英语原文或自行翻译。

https://e2e.ti.com/support/wireless-connectivity/other-wireless-group/other-wireless/f/other-wireless-technologies-forum/1041972/cc8531-cc8531-reference-circuit-related-inquiry

器件型号:CC8531

大家好、TI 支持团队

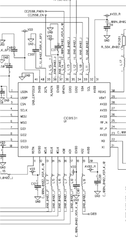
这是对应用于以下基准电路的电感器的询问。

是否必须应用适用于 L2、L5~8和 L10~15的6N8值?

为什么将电感器应用到该器件?

如果将其删除、可能会出现什么问题?

谢谢。

此致、

mj

  • 请注意,本文内容源自机器翻译,可能存在语法或其它翻译错误,仅供参考。如需获取准确内容,请参阅链接中的英语原文或自行翻译。

    尊敬的 MJ:

    我认为添加这些是为了通过 FCC (以抑制高速数据和时钟线路的杂散发射)。 我还建议将它们包含在您自己的设计中。

    谢谢、

    Alexis