This thread has been locked.

If you have a related question, please click the "Ask a related question" button in the top right corner. The newly created question will be automatically linked to this question.

[参考译文] CC8530:链接问题

Guru**** 2518600 points
Other Parts Discussed in Thread: CC2590, CC8530

请注意,本文内容源自机器翻译,可能存在语法或其它翻译错误,仅供参考。如需获取准确内容,请参阅链接中的英语原文或自行翻译。

https://e2e.ti.com/support/wireless-connectivity/other-wireless-group/other-wireless/f/other-wireless-technologies-forum/750743/cc8530-link-issue

器件型号:CC8530
主题中讨论的其他器件:CC2590

你(们)好

我在自己的电路板上使用 CC8530和 CC2590

我的问题是 cc8530 (主设备)是配对模式、但无法与从设备连接。

链路指示灯闪烁,如配对 指示灯模式。

因此、我使用 Pure Path 指挥官测试了 CC8530 (主器件)。

当我没有命令 NWM_CONTRAL_ENABLE()时,NWM_GET_STATUS_m ()返回的状态= 0x8A4D,数据={00:40:00:00:00}。  

在命令 NWM_CONTRAL_ENABLE()之后, NWM_GET_STATUS_m () 返回 Status= 0x8A4D,Data ={01:46:E4:00:00}。

但链路 LED 指示灯闪烁、就像配对 LED 指示灯模式一样。(无法与从设备连接)

因此、我以相同的方式尝试了 CC8530 DK。

当我没有命令 NWM_CONTRAL_ENALbe ()时、NWM_GET_STATUS_m ()返回状态= 0x8A4D、数据={00:40:00:00:00}。

在命令 NWM_CONTRAL_ENABLE()之后, NWM_GET_STATUS_m ()返回状态= 0x8A4D,数据={01:46:E4:00:00}

它可以与从器件连接。

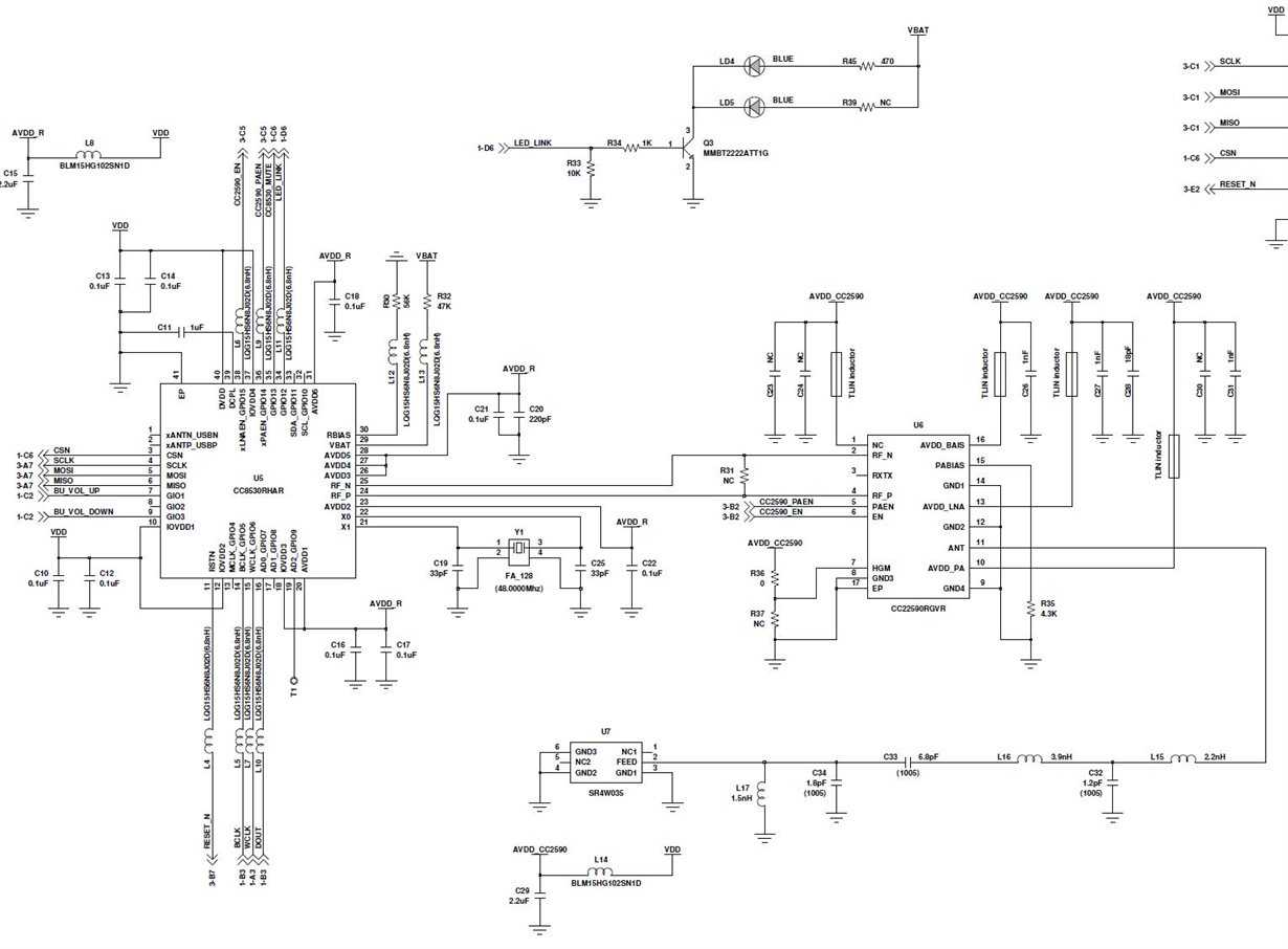
这是我的原理图。 我的问题是什么?

(我已经检查了 AVDD_R、VDD 值、没有问题)

  • 请注意,本文内容源自机器翻译,可能存在语法或其它翻译错误,仅供参考。如需获取准确内容,请参阅链接中的英语原文或自行翻译。
    尊敬的 Minkyo:

    我已将您的帖子通知专家、希望很快得到回复。
  • 请注意,本文内容源自机器翻译,可能存在语法或其它翻译错误,仅供参考。如需获取准确内容,请参阅链接中的英语原文或自行翻译。
    您好、Minkyo、

    您是否检查了48MHz 晶体振荡器的精度?

    此致、
    Fredrik