This thread has been locked.

If you have a related question, please click the "Ask a related question" button in the top right corner. The newly created question will be automatically linked to this question.

[参考译文] CC8530:CC8530晶体未启动

Guru**** 2516690 points


请注意,本文内容源自机器翻译,可能存在语法或其它翻译错误,仅供参考。如需获取准确内容,请参阅链接中的英语原文或自行翻译。

https://e2e.ti.com/support/wireless-connectivity/other-wireless-group/other-wireless/f/other-wireless-technologies-forum/678715/cc8530-cc8530-crystal-is-not-start

器件型号:CC8530

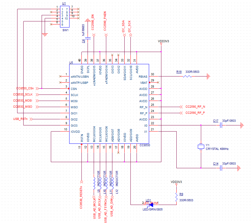
你(们)好

在我的系统 DSP 处理音频、然后使用 CC8530 向 接收器传输音频、我将通过 Pure Path 配置器进行配置。

但是所有完成的事情、当我闪存时、它显示闪存擦除失败。我 使用示波器测试晶体、晶体没有波形、这表示不启动、我 的原理图

与演示相同、您能给我一些提示吗?