This thread has been locked.

If you have a related question, please click the "Ask a related question" button in the top right corner. The newly created question will be automatically linked to this question.

[参考译文] BQ76952:导致电荷泵压降的电源滤波器二极管

Guru**** 2589280 points
Other Parts Discussed in Thread: BQ76952

请注意,本文内容源自机器翻译,可能存在语法或其它翻译错误,仅供参考。如需获取准确内容,请参阅链接中的英语原文或自行翻译。

https://e2e.ti.com/support/power-management-group/power-management/f/power-management-forum/1478286/bq76952-power-supply-filter-diode-causing-charge-pump-voltage-drop

器件型号:BQ76952

工具与软件:

您好!

我已经设计了一个 BMS、该 BMS 使用 BQ76952和6个采用共漏极配置并联的 MOSFET、适用于100A 应用。

在对接近放电的电池组进行测试时、我注意到 MOSFET 的 Vgs 从10V 降至2V 至3V。 下面列出了测试观察结果:

  1. 电池为25Ah、放电电流为20A。 测试中使用了自动充电放电机器。 它生成基于 PWM 的控制、将电流限制为设定值。 电源线为2.5 mm2。
  2. 空载时、Vgs ~ 10. 当放电电流达到20A 时、Vgs 降至2V 至3V。 在10A 时、Vgs 在5V 至6V 范围内。 在15A 时、Vgs = 4V 至5V。
  3. 充电期间@10A、Vgs = 9.5V。 没有明显的下降。 我无法在更高的电流下进行测试、因为10A 是限制值。
  4. 在另一个100AH 的电池组上进行测试时、没有明显的压降。 另外、25Ah 充电10-15分钟后、电压下降将轻微下降。
  5. 我曾尝试将 CP1增加到2 μ F 和滤波电容器、但没解决这个问题。
  6. 电荷泵电压本身在下降、而不仅仅是 MOSFET 的 Vgs。

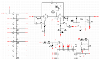
请查看以下原理图的附加部分:

IC 的电源来自电池的平衡电缆。 CT16P 后面未标记的电阻为0欧姆。 BAT_IN+(在下图中也称为 VBAT)是来自电池组的电源端子。 CT16P 和 BAT_IN+物理连接到电池中的同一电芯。 我注意到将 IC 的 BAT_IN+短接至 BAT 引脚可解决该问题。

在未进行短路时使用示波器进行探测、显示了以下结果:

IC 的 VBAT_IN+和 BAT 引脚之间存在+2.2至-1.5V 的电压摆幅。

然而、CT16P (=VTOP)和 BATT_IN+之间的电压摆幅为+=0.5V。 附带的屏幕截图:

也就是说、虽然在滤波器二极管 U7的输入端、平衡电缆电源和电源电缆电源之间的电压差仅为0.5V、但 IC 电源的电压差在2V 范围内。

移除 IC 电源输入端的二极管 U7、解决了 Vgs 压降问题。  增加滤波器电阻值会增加 Vgs 下降。 在20 Ω 和40 Ω 的值下、示波器屏幕截图如下所示:

BAT - BAT_IN+电压差保持不变、Vgs 下降随着电阻增加而增加。

现在、虽然移除滤波器二极管可以解决该问题、但这使得器件在短路期间容易发生故障。 我对此有以下问题:

  1. 这种情况是由于电荷泵反应时间慢造成的吗? 电荷泵是否无法将其电压调整到 BAT_IN+处不断变化的电压? PACK、LD 引脚电阻器在此方面是否发挥作用?
  2. Vgs 是否会因为 BAT 和 BAT_IN+之间的负电压摆动而降低? 将二极管输入(VTOP)升压到 BAT_IN+无法解决该问题、但直接将 BAT 引脚短路确实可以解决该问题。
  3. 我还尝试在 CP1和 GND 之间添加100nF、但这无法解决问题。 这肯定会导致电池放电或电池组连接松散时出现问题。 请分享您对的见解、以便更好地了解问题。 我认为、电荷泵足以驱动 MOSFET、问题在于电荷泵的反馈。 请分享您的想法。
  • 请注意,本文内容源自机器翻译,可能存在语法或其它翻译错误,仅供参考。如需获取准确内容,请参阅链接中的英语原文或自行翻译。

    你好、Mrinal、

    这可能是由于您在 CP1处选择了 RC。 我们通常建议您的 R12使用100 Ω、然后根据所使用的 FET 数量及其栅极电容、根据需要更改电容器。 |

    当您‘re"移动滤波器二极管"时、您指的是 U11吗? 您能否尝试拉出 C21、看看这是否也有帮助? 是在多个电路板上还是仅在这个电路板上?

    此致、
    Alexis

  • 请注意,本文内容源自机器翻译,可能存在语法或其它翻译错误,仅供参考。如需获取准确内容,请参阅链接中的英语原文或自行翻译。

    您好!

    我指的是放置在 RC 滤波器之前的串联二极管 U7。

    对于 RC 滤波器、我们使用的是 R=100 Ω、C=1uF、Cp=1uF。 我们观察到 Vgs 显著下降、然后更改了 R=10 Ω。 串联二极管 U7已安装。 将 R 更改为10 Ω 后、Vgs 保持在8.5V 以上。 这些测试是使用100AH 电池完成的。

    不过、在测试相同配置时、R = 10 Ω、C = 1uF、CP = 1uF、安装了二极管 U7、 在25Ah 接近放电的电池上、我们观察到 Vgs 降至2V 至3V。 然后、我们移除串联二极管 U7、并将其替换为0欧姆电阻器。 在此之前、我们曾尝试提高 Cp 和 C 的值、但这并没有解决问题。

    所有电路板上都会发生这种情况、但对于25Ah 电池组、它几乎已处于放电状态。 我们为电池充电、Vgs 下降一些减小、但这对潜在问题没有帮助。

    我将尝试降低 C21的值、将其拉出来、然后进行更新。 此外、C21的值应该大于 Cp、对吧? 因此 Cp 不会耗尽 C21的电荷?

  • 请注意,本文内容源自机器翻译,可能存在语法或其它翻译错误,仅供参考。如需获取准确内容,请参阅链接中的英语原文或自行翻译。

    你好、Mrinal、

    U11的用途是什么? 图中不是很清晰、但如果二极管 U11的 MPN 是 SMF12A、则其 V (RVM)为19.9V。 该线路的电压将接近 BAT+。

    我想您应该为此进行 DNP、并使用 R12 = 100E | C21 = C24 = 1uF 的值进行测试。

    此致!
    Abhijith。

  • 请注意,本文内容源自机器翻译,可能存在语法或其它翻译错误,仅供参考。如需获取准确内容,请参阅链接中的英语原文或自行翻译。

    您好!
    我为这种困惑感到抱歉。

    未放置二极管 U11。 SMA12A 位于原理图中。 根据 BMS 的串联配置、我们在组装过程中放置适当电压的 TVS 二极管。

    然而、对于上述所有测试、U11为 DNP。

    更新了:我们之前的所有测试都是针对25Ah LFP 电池上的15S 或16S 配置完成的、但我们遇到了这个问题。 今天、我们对4S 配置进行了相同的测试、并且没有注意到同一电池上的任何 Vgs 下降。 所有电池电压均为3V 及更高。 在放电期间、电芯电压降至2.8V、放电机随后停止工作。

  • 请注意,本文内容源自机器翻译,可能存在语法或其它翻译错误,仅供参考。如需获取准确内容,请参阅链接中的英语原文或自行翻译。

    你好、Mrinal、

    但是、当我们测试相同配置时、R=10 Ω、C=1uF、Cp=1uF、安装了二极管 U7、 在25Ah 接近放电的电池上、我们观察到 Vgs 降至2-3V。

    此时的 CP1电压是多少? 您能否将此波形与 FET 栅极电压和 BAT 电压共享?  

    FET 上还可能存在栅极漏电流。 您能否测量电压下降时从 CHG 和 DSG 引脚汲取的电流?  

    我将尝试减小 C21的值、并将其拉出、然后进行更新。

    请做,只要你得到机会。  

    此致、
    Alexis

  • 请注意,本文内容源自机器翻译,可能存在语法或其它翻译错误,仅供参考。如需获取准确内容,请参阅链接中的英语原文或自行翻译。

    您好!
    很抱歉、我无法按照之前的讨论进行测试。 不过、最近我想更新一些观察结果。

    正如我之前所说的、这一 Vgs 下降问题发生在我们的25Ah 电池包而不是100AH 电池包中。 我们发现25Ah 电池组的其中一根铜棒松动并且过热。 我们收紧了铜棒、Vgs 压降问题显著降低。 现在、一旦我们连接放电器、Vgs 就会从10V 降至大约8V、然后在几秒内恢复到大约9.5V。 这符合我们在设计阶段执行的测试。

    然而、这引起了一些严重问题。

    如果这种情况确实是由于连接松动而发生的、可能会给电动汽车带来严重的问题。 在某些情况下、在公路上行驶的车辆可能会在一段时间后出现连接松动。 在这种情况下、可以接受 COV、CUV 或 BMS 关闭等随机切口、但 BMS 故障的核心功能不是。 VGS 降至2V 肯定会导致 MOSFET 损坏、甚至烧毁。

    "此时的 CP1电压是多少? 您能否将此波形与 FET 栅极电压和 BAT 电压共享? "

    CP1电压本身降至 Vgs 的电平。 我没有捕获 Vgs 与 BAT 电压。 在此更新之后、请告知我是否需要任何其他读数。 我将不得不松开铜棒以形成问题条件、然后我将尝试将它们发布在一起。  

    谢谢你。

  • 请注意,本文内容源自机器翻译,可能存在语法或其它翻译错误,仅供参考。如需获取准确内容,请参阅链接中的英语原文或自行翻译。

    你好、Mrinal、

    我很高兴您能够发现导致您遇到问题的可能原因。 听起来可能是因为其中一个铜棒松动而导致电荷泵无法支持所需的电压。 电荷泵通常可以保持10V 的电压、驱动器上的负载高达大约40uA。

    此致、
    Alexis