请注意,本文内容源自机器翻译,可能存在语法或其它翻译错误,仅供参考。如需获取准确内容,请参阅链接中的英语原文或自行翻译。
器件型号:TPS650864 工具与软件:
您好!
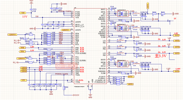
使用 TPS65086470RSKR 的输出 BUCK1-BUCK6没有输出、测得的 VSYS 为15V、PINVIN3/4/5为5V、LD05P0和 LDO3.3都具有输出、VREF=1.24V、CTL1-CTL6都具有外部1.8V 上拉电阻。 目前 OTP 使用数据手册默认状态表、我想知道无输出电压的原因是什么?
附件是原理图设计。

谢谢~