请注意,本文内容源自机器翻译,可能存在语法或其它翻译错误,仅供参考。如需获取准确内容,请参阅链接中的英语原文或自行翻译。
器件型号:BQ25798 工具/软件:
您好、TI 人
我的客户使用具有许多状态的 BQ25798。 您能帮助我们检查 BQ25798是否能够在系统中正常工作并满足需求吗?
非常感谢。
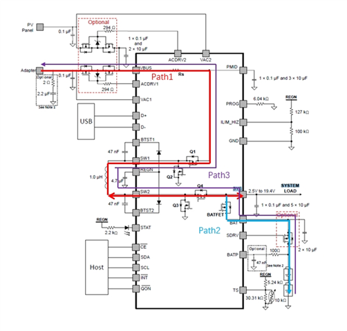
状态1:电池已断开连接、适配器已连接、系统通过 path1路径供电? 对吗?
状态2:基于状态1、连接蓄电池、通过 Path1为系统供电、通过 path3为蓄电池供电? 对吗?
状态3:基于 状态2、断开适配器将自动打开 Path2反向路径。 电池为系统供电? 对吗?
状态4:基于 状态2、断开适配器、I2C 配置模式为 USB-OTG 模式、并通过 Path3为适配器供电? 对吗?
场景1:当 BQ IC 未配置为寄存器(出厂模式、MCU 未通电)时、适配器已连接、电池已连接、电池已通过 Path1+Path2供电? 对吗? 充电曲线应该是 IC 默认值吗? 对吗?
