主题中讨论的其他器件:TPS92518
工具/软件:
大家好:
我遇到了一个关键问题、因为新的电路板设计包含两个 TPS92518 LED 驱动器。
在正常上电条件下、电路板和 TPS92518 IC 运行良好:
- 当我使用230V AC 转48V DC 电源为电路供电时。
- 通过48V 直流实验室电源为其供电时保持干净通电。
但是、我遇到了一些故障、在非常具体的电源连接场景下、TPS92518 IC 被损坏:
- 接地(GND)连接已建立。
- 然后、48V 直流输入连接缓慢或连接不稳定。 具体来说、如果48V 连接器在插接时摆动、则会导致输入电压快速波动、基本上会在稳定前多次在0V 和48V 之间反弹。
在这种"慢速/摆动"48V 连接场景中、TPS92518会损坏。
以下是我在 TPS92518损坏时拍摄的两张示波器图片。 它们显示输入电压(V_IN)和输入电流(I_IN)、以及 TPS92518的电压(V_IN_TPS)。 左侧图像将放大。


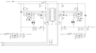
此外、具有并联 FET 调光和电源输入的 LED 驱动器原理图。


TPS92518或其他直流/直流转换器对此类上电条件敏感、是否有人遇到过类似的问题? 我想了解故障机制以及如何保护 IC。 这是否与电压过冲、快速瞬变或当已存在 GND 时 IC 的内部上电复位电路无法正确处理这种不稳定的斜升有关?
具体来说、我想知道在已连接 GND 的情况下、TPS92518通常是否适合热插拔48V 电源、尤其是在可能发生接触反弹的情况下(如摆动连接所述)? 或者、此类场景是否具有已知的灵敏度或所需的外部保护电路?
如果您对故障排除或保护电路有任何见解或建议、我们将不胜感激。
提前感谢!
此致
Andre


