This thread has been locked.

If you have a related question, please click the "Ask a related question" button in the top right corner. The newly created question will be automatically linked to this question.

[参考译文] TPS73801:阐明尺寸

Guru**** 2387060 points
Other Parts Discussed in Thread: TPS73801
请注意,本文内容源自机器翻译,可能存在语法或其它翻译错误,仅供参考。如需获取准确内容,请参阅链接中的英语原文或自行翻译。

https://e2e.ti.com/support/power-management-group/power-management/f/power-management-forum/1085749/tps73801-to-clarify-the-dimensions

部件号:TPS73801

您好,专家,

工程师正在询问以下 TPS73801封装的问题:

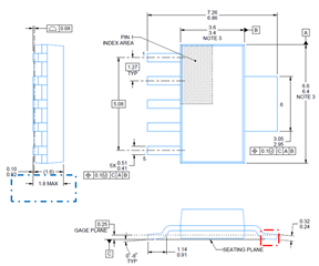
高度=1.8最大值在带蓝色标记的图片中定义。 我们是否知道此高度的典型值(中间值)? 。

2.下图中标有红色的长度(0.91~1.14)是否也应用于“防止”侧?

谢谢

黎庆宁

  • 请注意,本文内容源自机器翻译,可能存在语法或其它翻译错误,仅供参考。如需获取准确内容,请参阅链接中的英语原文或自行翻译。

    埃里克,  

    我联系我们的 CAD 工程师查看这些图纸并确认,请等待2-3天的回复。  

    谢谢,  

    麦克基拉

  • 请注意,本文内容源自机器翻译,可能存在语法或其它翻译错误,仅供参考。如需获取准确内容,请参阅链接中的英语原文或自行翻译。

    埃里克,  

    我们的 CAD 工程师告诉我们:

    尺寸1.6是模制主体的标称值。 您可以通过添加标称模制主体和标称支架高度来计算标称总包装高度。 因此计算如下:1.6 +((0.1+0.02)/2)= 1.66 (标称包装高度)。  

    是的,两侧可以使用相同的(0.9至1.14)。  

    如果您还有其他问题,请告诉我。  

    谢谢,  

    麦克基拉