您好,
我想使用LiPO电池(3.7V 6000mAH,最大放电为3A)进入TPS6.1022万并输出最大电流为3A的5V。 我对"最小6.5A开关电流能力"的含义感到困惑。 我是否能够将此升压转换器与电池一起使用?
谢谢!
Andres Perez

This thread has been locked.
If you have a related question, please click the "Ask a related question" button in the top right corner. The newly created question will be automatically linked to this question.
您好,
我想使用LiPO电池(3.7V 6000mAH,最大放电为3A)进入TPS6.1022万并输出最大电流为3A的5V。 我对"最小6.5A开关电流能力"的含义感到困惑。 我是否能够将此升压转换器与电池一起使用?
谢谢!
Andres Perez

您好,先生,
6.5A是最小谷电流限制阈值,这是您应用于评估的阈值。 请查看下面的应用简介,了解如何计算您的最大输出电流。 谢谢!
文豪
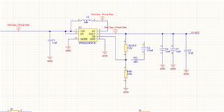
您好,Wenhao,
我的PCB设计主要包括电池充电器,燃油表和升压转换器IC。 电池充电器IC将为电池充电,电量表将监控电池,示意图中的"J1"代表电池(3.7V 6000mAh)连接器。 我的目标是将USB-3.7V电压提升至5V至3.54 类型c,以便使用升压转换器为Rasberry Pi 4b供电。 我认为升压转换器的3A输出足以为Rasberry Pi 4b供电。

从电池(3.7V 6000mAh)的数据表中,我看到最大放电电流实际上是1.0C,所以我想6A,我对我的错误表示歉意,但没有这么清楚。

如有任何帮助,我们将不胜感激。 我希望这个升压转换器对我有用。 我对电子和PCB世界很陌生,因此非常感谢任何帮助或理解。
谢谢!
Andres Perez
您好,Andres,
我不是电池专家,但由于1C的解释,6000mA意味着它可以放电6A 1小时。 我认为这可能是好的。
如果它可以支持6A的最大输出电流,您需要知道的信息如下:
TPS6.1022万无法将其输入电流限制在6A以下。 它只支持输入谷电流限制。 因此,它可能从电池中消耗大于10A的电流。 您需要了解此高电流是否会损坏电池。

TPS6.1022万的输入电压为7V输入至5V输出/3A,需要大约4.8A的输入平均电流。2.3
MOSFET Q1正在产生直流压降。 假设37mOhm,对于4.8A输入电流,它将产生177mV,从而使TPS6.1022万消耗更多输入电流;
MOSFET Q1的额定电流约为5A。 请检查温升是否可接受;

5.输入电容不够。 考虑有效电容>10uF;
输出电容是不够的。 考虑有效电容>30uF。 通常,对于大于100uF的大容量电容器,您需要保留一个位置支架。
7.请为转发网络添加占位符。

文豪
您好,Wenhao,
关于(1):好的,我明白了。 我会注意到电池。
关于(2): 我看到的4.8 平均输入平均电流。
关于(3)及(4):我发现MOSFET的电阻值稍低,额定值约为6A。 我模拟了MULTISIM,并在漏极上放置了一个电阻器,以获得4.8A的电流,我发现漏极处的电压为3.58V,MOSFET上的功率消耗也是如此。


关于(5):我用一个47uF电容器更换了10uF电容器。
关于(6):我将输出电容器增加到47uF
关于(7):我为大容量电容器添加了一个位置支架。
请查看我的原理图和想法,

非常感谢。
谢谢!
Andres Perez
您好,Andres,
请参阅下面的应用说明,了解如何使用反馈。 前馈R-C为可选件,但通常建议用于大输出电流应用,以实现回路稳定性;
https://www.ti.com/lit/pdf/slvaer4
有关所需的输出电容,请参阅以下随附的文件。 我认为如果输入电压总是很高(>3.0V),就不需要使用大容量电容器了。 保守地说,如果您有足够的溶液大小,则可以保留散装电容器;
e2e.ti.com/.../TPS6.1022万-Calculation-Tool-V1.1 .xlsx
文豪