This thread has been locked.

If you have a related question, please click the "Ask a related question" button in the top right corner. The newly created question will be automatically linked to this question.

[参考译文] LM5170:符号尺寸

Guru**** 2539500 points


请注意,本文内容源自机器翻译,可能存在语法或其它翻译错误,仅供参考。如需获取准确内容,请参阅链接中的英语原文或自行翻译。

https://e2e.ti.com/support/power-management-group/power-management/f/power-management-forum/1098400/lm5170-symbol-dimension

部件号:LM5170

您好,专家,

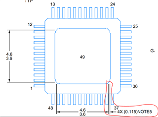
客户想知道散热垫的尺寸,您能帮您知道蓝色线以下的尺寸吗?

4.6 和3.6 (以图为单位),但我们仍然会混淆吗? 请帮助澄清   

此致,

标记

  • 请注意,本文内容源自机器翻译,可能存在语法或其它翻译错误,仅供参考。如需获取准确内容,请参阅链接中的英语原文或自行翻译。

    Mark,您好!

    感谢您发布。  它相当于标记为(4.1 +/- 0.5 mm) x (4.1 +/- 0.5 mm)。  请确保PCB封装尺寸符合数据表中提供的尺寸。  希望澄清这一点。  

    此致,

    有浩

  • 请注意,本文内容源自机器翻译,可能存在语法或其它翻译错误,仅供参考。如需获取准确内容,请参阅链接中的英语原文或自行翻译。

    您好,Yohao:

    感谢您进行检查,客户会知道下面部分的红色,您是否可以帮助您再次检查?

    此致,

    标记

  • 请注意,本文内容源自机器翻译,可能存在语法或其它翻译错误,仅供参考。如需获取准确内容,请参阅链接中的英语原文或自行翻译。

    Mark,您好!

    如果占地面积为4.4.4.1 4.6 以容纳最大的暴露电极尺寸,为什么要担心?  无论如何,我会将红线间距解释为Up 0.5 mm。  

    谢谢!

    有浩

  • 请注意,本文内容源自机器翻译,可能存在语法或其它翻译错误,仅供参考。如需获取准确内容,请参阅链接中的英语原文或自行翻译。

    您好,Yohao:

    我看到红色高亮显示的长度如下所示,应该是0.115 mm ,对吗?

      

    此致,

    标记

  • 请注意,本文内容源自机器翻译,可能存在语法或其它翻译错误,仅供参考。如需获取准确内容,请参阅链接中的英语原文或自行翻译。

    您好,Yohao:

    请问您是否确认了这一点?

    此致,

    标记

  • 请注意,本文内容源自机器翻译,可能存在语法或其它翻译错误,仅供参考。如需获取准确内容,请参阅链接中的英语原文或自行翻译。

    是否有任何更新?

    此致,

    标记

  • 请注意,本文内容源自机器翻译,可能存在语法或其它翻译错误,仅供参考。如需获取准确内容,请参阅链接中的英语原文或自行翻译。

    Mark,您好!

    我们正在与包装组核对。  我一得到答案就会立即在这里发布。

    谢谢!

    有浩

  • 请注意,本文内容源自机器翻译,可能存在语法或其它翻译错误,仅供参考。如需获取准确内容,请参阅链接中的英语原文或自行翻译。

    您好,Yohao:

    客户将要进行布局,但由于布局符号尚未创建,请在此处进行调整。它已等待一段时间,您可以帮助加快速度来支持这一点吗?

    此致,

    标记

  • 请注意,本文内容源自机器翻译,可能存在语法或其它翻译错误,仅供参考。如需获取准确内容,请参阅链接中的英语原文或自行翻译。

    Mark,您好!

    理解,但这不应延迟布局。 布局应遵循土地图案图,而不是IC机械图。

    所有现有客户都在关注PCB的上述图纸,我 没有听到任何问题。  因此,请继续进行布局,我将在收到IC机械图纸后立即跟进答案。

    谢谢!

    有浩

  • 请注意,本文内容源自机器翻译,可能存在语法或其它翻译错误,仅供参考。如需获取准确内容,请参阅链接中的英语原文或自行翻译。

    Mark,您好!

    关于0.115 编号: DAP通过四个角上的四个拉杆连接,这些拉杆在实际零件上可能可见或不可见。 当这些拉杆可见时,可显示0.115 mm 的最大尺寸。  这就是为什么注5读为"功能可能不可见"的原因。   

    如果客户的布局遵循推荐的土地模式,则包括两种情况:拉杆可见或不可见。  

    希望这能结束此案例。  如果不是,请添加新帖子以重新打开它。

    谢谢!

    有浩

  • 请注意,本文内容源自机器翻译,可能存在语法或其它翻译错误,仅供参考。如需获取准确内容,请参阅链接中的英语原文或自行翻译。

    您好,Yohao:

    我是否可以建议客户仅遵循4.4.1 4.6 来创建它? 忽略 边角差异?  

    此致,

    标记