This thread has been locked.

If you have a related question, please click the "Ask a related question" button in the top right corner. The newly created question will be automatically linked to this question.

[参考译文] LM5021:未启动。

Guru**** 2529420 points


请注意,本文内容源自机器翻译,可能存在语法或其它翻译错误,仅供参考。如需获取准确内容,请参阅链接中的英语原文或自行翻译。

https://e2e.ti.com/support/power-management-group/power-management/f/power-management-forum/1116546/lm5021-not-starting-up

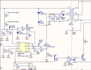
器件型号:LM5021

我正在针对以下规格设计反激式器件:

输入电压:100V 至280Vdc

PO:20W

Vo:17.3V

我已连接下面的快照、通电时、我在 VIN 引脚处获得大于8V 的电压、但控制器未开始切换。 我在 CSS 或 VCC 引脚上没有获得任何电压。 您能告诉我缺少什么吗?  

  • 请注意,本文内容源自机器翻译,可能存在语法或其它翻译错误,仅供参考。如需获取准确内容,请参阅链接中的英语原文或自行翻译。

    了解我的错误...输入电压应为20V 典型值。

  • 请注意,本文内容源自机器翻译,可能存在语法或其它翻译错误,仅供参考。如需获取准确内容,请参阅链接中的英语原文或自行翻译。

    您好 Sankalp、  

    我很高兴您能够自行确定并解决问题。

    很明显、Vin 首先需要上升至20V (典型值、最大值为23V)才能启动 IC、但不需要一直保持。  启动后、VIN 可能会降至接近7.25V、但对于工作裕度、最好选择大于8V 的输入电压。  

    此致、
    Ulrich