This thread has been locked.

If you have a related question, please click the "Ask a related question" button in the top right corner. The newly created question will be automatically linked to this question.

[参考译文] TPS23753A:TPS23753A

Guru**** 2516170 points


请注意,本文内容源自机器翻译,可能存在语法或其它翻译错误,仅供参考。如需获取准确内容,请参阅链接中的英语原文或自行翻译。

https://e2e.ti.com/support/power-management-group/power-management/f/power-management-forum/1056539/tps23753a-tps23753a

器件型号:TPS23753A

您好!

 

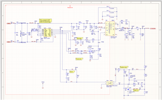
我们将图像与我们使用的原理图和 C921上的测量输出相连。  

使用2种不同的 PoE 适配器电源和品牌(48V、0.35A 和0.5A)进行测试。

使用 PoE 适配器0.35A 时、有时它可以工作、有时甚至不工作。 当它不起作用时、输出看起来像附加的图像、当它工作时、输出看起来稳定而平坦。

对于0.5A 品牌、它始终有效。

为什么有时它不起作用呢?

此票是私人的吗?

 此外、我们还将12V 1.08A 变压器 POE13P-12LD 替换为5V 1.4A POE70P-50lb。 使用 POE70P-50lb、它适用于0.35A PoE 适配器

谢谢!  

/Cora

  • 请注意,本文内容源自机器翻译,可能存在语法或其它翻译错误,仅供参考。如需获取准确内容,请参阅链接中的英语原文或自行翻译。

    您好!  


    我 在 《PoE 供电设备调试指南:


    •如果 PSE 在500ms 左右后切断电源、这是由于不符合 MPS 信号。 IEEE802.3标准具有最低维持功率特征(MPS)信号、该信号需要以大约10mA 的电流发送到 PSE。 很多时候、在电路板首次上电期间、输出端没有连接负载。 某些设计在未连接负载时不会消耗这么大的电流。 这在二极管反激式中更为常见、因为它们更容易滑入不连续导通模式(DCM)、这会显著降低总输入电流。 尝试向设计的输出端添加一些负载、以使输入电流超过 MPS 信号最小值。 这种行为的特点是 PoE 握手和上电成功、但在500ms 左右之后、输入功率会切断、输出也会下降。 这种行为通常是 MPS 信号。

    在不重新设计直流/直流转换器的情况下将变压器更改为不同的输出电压可能会增加电流消耗、因此问题会消失、但我不会这样做。  

    如果此帖子回答了您的问题、请将此主题标记为已解决。 谢谢你。

     

    此致、  

     

    Michael P.

    应用工程师

    应用工程师  

  • 请注意,本文内容源自机器翻译,可能存在语法或其它翻译错误,仅供参考。如需获取准确内容,请参阅链接中的英语原文或自行翻译。

    您好!

    谢谢! 您的建议可以立即得到响应。 我们在输出端添加了1k Ω 电阻负载(与原理图中的 C921并联)、所有 PSE 都检测到 PD 并在所有情况下加电!

    很棒的解决方案,很容易修复! 我们无法看到它是什么,非常感谢!  

    最棒的

    Cora