This thread has been locked.

If you have a related question, please click the "Ask a related question" button in the top right corner. The newly created question will be automatically linked to this question.

[参考译文] TPS7A16:可能的 P2P

Guru**** 2502205 points
Other Parts Discussed in Thread: TPS7A16, TPS7A49

请注意,本文内容源自机器翻译,可能存在语法或其它翻译错误,仅供参考。如需获取准确内容,请参阅链接中的英语原文或自行翻译。

https://e2e.ti.com/support/power-management-group/power-management/f/power-management-forum/1051315/tps7a16-possible-p2p

器件型号:TPS7A16
主题中讨论的其他器件: TPS7A49

大家好、团队、  

我们正在尝试找到与 TPS7A16最接近的交叉点、这些交叉点可能会直接插入和 P2P。  

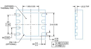
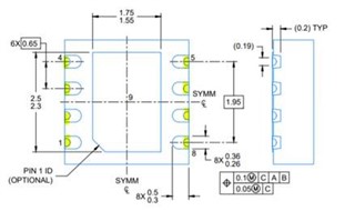
我看到 TPS7A49与 P2P 基本相同、但电源焊盘形状不同于 TPS7A16。 TPS7A16焊盘图案是否可用于 TPS7A49?

对于 TPS7B84、我还 看到了可能的拟合、但由于引脚分配、可能需要进行一些重新布线。 此外、引脚形状看起来不同-我不确定 TPS7B84焊盘图案上突出显示的较小区域是否会导致问题。  TPS7A16焊盘图案是否可用于 TPS7B84?

  • 请注意,本文内容源自机器翻译,可能存在语法或其它翻译错误,仅供参考。如需获取准确内容,请参阅链接中的英语原文或自行翻译。

    您好、Sepeedah、

    TPS7A49 DRB 可安装在 TPS7A16焊盘上。 TPS7A49上的电源焊盘比 TPS7A16小一点、引线与封装内侧的边缘距离相同、因此有额外的空间来确保没有引脚短路。  

    TP7B84-Q1的电源焊盘的典型值仅比 TPS7A16电源焊盘大0.05mm、因此我认为也可以。  

    此致、

    Nick

  • 请注意,本文内容源自机器翻译,可能存在语法或其它翻译错误,仅供参考。如需获取准确内容,请参阅链接中的英语原文或自行翻译。

    谢谢 Nick。 TPS7B84 引脚上突出显示的较小半圆意味着什么? 它应该是无引线、还是意味着焊盘的短或长绘图正常? 我在这里强调了我的意思是什么部分。  

  • 请注意,本文内容源自机器翻译,可能存在语法或其它翻译错误,仅供参考。如需获取准确内容,请参阅链接中的英语原文或自行翻译。

    您好、Sepeedah、

    突出显示的区域显示了侧面可湿性侧面。 在焊接时、这些不会导致任何问题-它们 实际上是为了使良好的焊点更易于识别。

    此致、

    Nick

  • 请注意,本文内容源自机器翻译,可能存在语法或其它翻译错误,仅供参考。如需获取准确内容,请参阅链接中的英语原文或自行翻译。

    完美,谢谢!