Other Parts Discussed in Thread: LM3435, LM3549
主题中讨论的其他器件: LM3549
大家好、
我的客户有2个问题、如下所示。
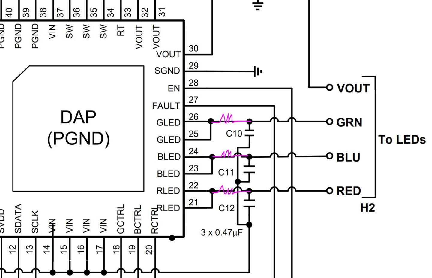
- 根据客户的面板 LED 数据表、VF 为 R=2.6V、G=3.6V、B=3.6V、但我们测量的 Vout 范围为6.84V - 7.98V。 结果是否正确? 如果是、如何计算 Vout?
- 我们在波形上发现了电流尖峰、如下所示。 此外、我们尝试将输出电容从22uF 降低到2.2uF、尖峰显然会降低。
- 为什么只有具有大尖峰的红色通道?
- 它是否与 VF 的差异有关?
- 如何提高尖峰性能?
通道1: Iout、通道2:Vout、通道3:RED_PWM

CH1:RED_PWM、Ch2:GREEN_PWM、Ch3:BLED_PWM、Ch4:Iout

此致、
哈迪
