This thread has been locked.

If you have a related question, please click the "Ask a related question" button in the top right corner. The newly created question will be automatically linked to this question.

[参考译文] LM25011:电源中断后、输出电压长时间处于低电平

Guru**** 2390755 points
Other Parts Discussed in Thread: LM25011, LM2676

请注意,本文内容源自机器翻译,可能存在语法或其它翻译错误,仅供参考。如需获取准确内容,请参阅链接中的英语原文或自行翻译。

https://e2e.ti.com/support/power-management-group/power-management/f/power-management-forum/1038672/lm25011-output-voltage-low-for-a-long-time-after-power-interruption

器件型号:LM25011
主题中讨论的其他器件: LM2676

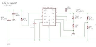
我正在使用 LM25011MYX/NOPB 、我注意到测试过程中出现了一些意外操作。  在我的应用中、当输入功率暂时下降时、芯片长时间停止生成输出电压。  断电大约一秒钟将导致输出电压下降大约20秒钟。   我想了解此操作的原因、并希望在电源中断后尽量缩短关断时间。   我附加了一个显示我的现有电路的图像。

我有一个理论和一些问题:

下面是我的理论、说明发生这种情况的原因: 在我的应用中、稳压器输出电压完全降为零需要很长时间。 电压快速下降至大约6伏、然后非常缓慢地移动至0伏。  (V < 6时、我的所有负载几乎都会下降。)  根据我在数据表中可以知、芯片中的栅极驱动电压仅由内部5V 电源或开关期间捕获的能量生成。  在我的应用中断电一秒钟后、我假设芯片的内部栅极驱动电压过低。  此时、驱动电压必须由芯片的内部5V 电源供电。 但是、芯片的内部5V 电源在输出降至5V 以下之前不会用作高侧驱动(这需要大约20秒的时间用于我的应用)。

问题:

我的理论对我所看到的内容是否有合理的解释?  是否有更好的解释?

我该怎么做?  我发现、使用电阻器加载电路可减小延迟、但我想在不产生热量的情况下进一步减小延迟。  

是否可以 使用电源电压来提供自举栅极驱动电压?  (如果我使用初级电压作为自举电压、我假设我仍需要提供一些负载、以确保芯片永远不需要灌入电流。)  我附加了一个图片、其中显示了一个建议的电路。   这种方法是否存在任何明显的问题? (我知道 TI 无法保证应用中的工作方式。)

  • 请注意,本文内容源自机器翻译,可能存在语法或其它翻译错误,仅供参考。如需获取准确内容,请参阅链接中的英语原文或自行翻译。

    尊敬的 Kevin:

    如果超过 Vin UVLO、器件将进行调节。

    Boostrap 电容器可创建浮动电源、以提供足够的栅极驱动强度来开启功率 FET。 BOOT UVLO 可确保有足够的栅极驱动。

    在我看来、从超出 VIN UVLO 到器件开始调节、您会经历一些时间、这是毫无意义的。

    我不知道该器件无法支持软启动至预偏置输出。

    您能否提供所发生现象的波形、记录 Vin、SW 和 Vout?

  • 请注意,本文内容源自机器翻译,可能存在语法或其它翻译错误,仅供参考。如需获取准确内容,请参阅链接中的英语原文或自行翻译。

  • 请注意,本文内容源自机器翻译,可能存在语法或其它翻译错误,仅供参考。如需获取准确内容,请参阅链接中的英语原文或自行翻译。

  • 请注意,本文内容源自机器翻译,可能存在语法或其它翻译错误,仅供参考。如需获取准确内容,请参阅链接中的英语原文或自行翻译。

    示波器跟踪显示我手动断开电源、然后恢复电源。  这是黄线中的骤降。

  • 请注意,本文内容源自机器翻译,可能存在语法或其它翻译错误,仅供参考。如需获取准确内容,请参阅链接中的英语原文或自行翻译。

    尊敬的 Kevin:

    这很有帮助。

    请允许我遵循一些指导  

  • 请注意,本文内容源自机器翻译,可能存在语法或其它翻译错误,仅供参考。如需获取准确内容,请参阅链接中的英语原文或自行翻译。

    您能否放大输入电源的连接点?

    我不确定光标是否位于此处、但此时 VSW 上是否存在开关事件?

    我会担心器件会达到电流限制。

    奇怪的是、当电源电压较低时、VSW 走线相对"干净"、并且在输入电源出现后变得有点"噪声"、就像开关噪声一样。

  • 请注意,本文内容源自机器翻译,可能存在语法或其它翻译错误,仅供参考。如需获取准确内容,请参阅链接中的英语原文或自行翻译。

    谢谢!  我也会得到该轨迹。

  • 请注意,本文内容源自机器翻译,可能存在语法或其它翻译错误,仅供参考。如需获取准确内容,请参阅链接中的英语原文或自行翻译。

    感谢您的支持。 如果您能够测量电感器电流、那么可以看到、不过我知道大多数人没有电流探头。

  • 请注意,本文内容源自机器翻译,可能存在语法或其它翻译错误,仅供参考。如需获取准确内容,请参阅链接中的英语原文或自行翻译。

    这是1ms/分频。 布线颜色和信号与以前相同

  • 请注意,本文内容源自机器翻译,可能存在语法或其它翻译错误,仅供参考。如需获取准确内容,请参阅链接中的英语原文或自行翻译。

    顶部是100us /除法。  底部是2us /除法。

  • 请注意,本文内容源自机器翻译,可能存在语法或其它翻译错误,仅供参考。如需获取准确内容,请参阅链接中的英语原文或自行翻译。

    我仍然不明白这是芯片如何产生自举电压的问题。  上面的粉红色线是芯片的 BST 引脚。  根据我在数据表中可以知、自举电压限制为5V、除非它通过开关进行升压。

  • 请注意,本文内容源自机器翻译,可能存在语法或其它翻译错误,仅供参考。如需获取准确内容,请参阅链接中的英语原文或自行翻译。

    断开电源会在几毫秒后耗尽芯片的内部自举。  当电源恢复时、由于没有开关、自举电压一直保持在5V。  现在、芯片无法驱动高侧 FET、因为它无法从自举获取所需的电压。  它就在那里并等待、直到5V 足以 驱动高侧栅极。

  • 请注意,本文内容源自机器翻译,可能存在语法或其它翻译错误,仅供参考。如需获取准确内容,请参阅链接中的英语原文或自行翻译。

    您好、自举电压是由"自举电容器" VCC 和串联二极管形成 电荷泵的理念推导出来的。 您可以在关断期间为自举电容充电。 两个 FET 似乎都保持未激活状态。

  • 请注意,本文内容源自机器翻译,可能存在语法或其它翻译错误,仅供参考。如需获取准确内容,请参阅链接中的英语原文或自行翻译。

    大家好、Kevin、我将需要查看软启动操作是否因预偏置输出而中断。

  • 请注意,本文内容源自机器翻译,可能存在语法或其它翻译错误,仅供参考。如需获取准确内容,请参阅链接中的英语原文或自行翻译。

    尊敬的 Kevin:

    我们似乎面临着预充电 FET 的限制。

    'n 个输出电压相对较高且最小负载电流较低的应用中、LM25011的内部预充电器件可能无法在关断期间将 SW 引脚拉至足够低的电平、以保持自举电容器上的电压。'

    您可能需要考虑输出端的最小负载、或通过限流电阻器在 Vin 和 CBOOT 之间添加一个二极管。 可在 CBOOT 上使用齐纳钳位、以确保不违反 ABSMAX。

    您需要在整个工作条件下进行评估、因为这不是器件的标准做法。

  • 请注意,本文内容源自机器翻译,可能存在语法或其它翻译错误,仅供参考。如需获取准确内容,请参阅链接中的英语原文或自行翻译。

    我在提交问题之前在数据表中看到了这一点。  当时,我也认为这是我的问题的答案。 但是、我运行了一个测试、并且在我有负载时延迟仍然存在。  由于负载电压下降得更快、因此延迟降低、但在我的应用中延迟仍然过大。  我尝试过负载达到750mA、 但仍然存在明显的延迟。  我猜数据表中的注释是指上电后的正常运行。

  • 请注意,本文内容源自机器翻译,可能存在语法或其它翻译错误,仅供参考。如需获取准确内容,请参阅链接中的英语原文或自行翻译。

    您的评论让我思考、我做了更多测试。  我觉得我现在已经弄清楚了。  我有一个非典型负载、我猜预充电电路无法处理它。  

    我 的电源上的负载包含一个4700uF 电容器、该电容器由 LM25011通过100欧姆电阻器充电。  (遗憾的是、我的应用中需要这个奇怪的负载)作为测试、我添加了一个二极管、因此现在通过 一个与二极管串联的电阻器为电容充电。  二极管可防止电容器的能量反馈到电源的输出中。  在这一变化之后、LM25011在中断后立即恢复。

    过去、我使用 TI LM2676S-12为同一电阻器/电容器组合供电。  我重新测试了该电路板、LM2676在没有二极管的情况下立即恢复。  我猜  LM2676S 使用了不同的预充电解决方案。

    在理想情况  下、最好让 TI 验证 LM25011中的预充电工作方式是否与预充电 LM2不同如果 TI 无法验证预充电是否导致问题676 -这种差异是我的问题的根源。  在现实世界中、我可以添加 二极管并继续操作。  

    感谢您对此提供的帮助。  我很感激!

  • 请注意,本文内容源自机器翻译,可能存在语法或其它翻译错误,仅供参考。如需获取准确内容,请参阅链接中的英语原文或自行翻译。

    大家好、Kevin、这是输出电容器的斩波器、因此您需要适度的电阻负载来降低 RC 时间常数。

    25011具有我们已经发现的一些注意事项/限制。 其裸片设计肯定会与 LM2676不同。

    为了简化解决方案、您可能需要考虑使用同步器件。 如果您想考虑替代器件而不考虑这些问题、也许我们可以寻找一个没有断续电流限制的同步解决方案、因为听起来您有超级电容器充电器应用。