This thread has been locked.

If you have a related question, please click the "Ask a related question" button in the top right corner. The newly created question will be automatically linked to this question.

[参考译文] EMB1499Q:如何将 bq76952配置为有源平衡?

Guru**** 2438750 points


请注意,本文内容源自机器翻译,可能存在语法或其它翻译错误,仅供参考。如需获取准确内容,请参阅链接中的英语原文或自行翻译。

https://e2e.ti.com/support/power-management-group/power-management/f/power-management-forum/976093/emb1499q-how-to-configure-bq76952-into-active-balanced

器件型号:EMB1499Q

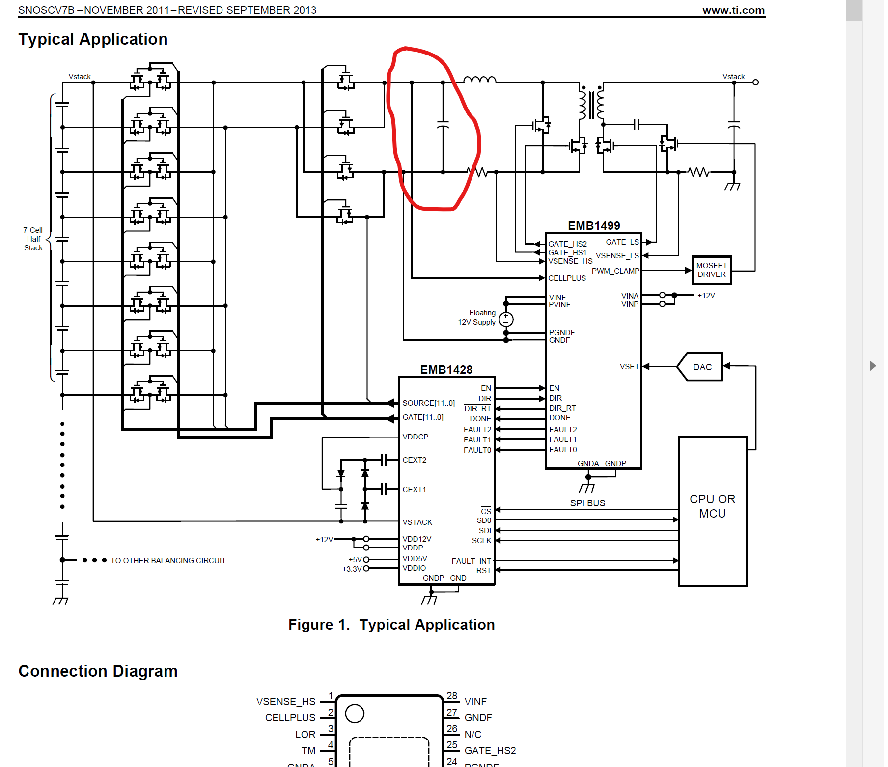
数据表中提到的1499Q 是电流控制、我不知道如何控制输出电压? 在为单个电池充电时断开导线时、次级侧的输出电压是多少?  图片中的红色圆圈。

 谢谢!

  • 请注意,本文内容源自机器翻译,可能存在语法或其它翻译错误,仅供参考。如需获取准确内容,请参阅链接中的英语原文或自行翻译。

    Chime、您好!

    不幸的是、您的图像没有通过。 您可以尝试重新发布它、还是将我转至数据表中的一个数字?

    此致、

  • 请注意,本文内容源自机器翻译,可能存在语法或其它翻译错误,仅供参考。如需获取准确内容,请参阅链接中的英语原文或自行翻译。

  • 请注意,本文内容源自机器翻译,可能存在语法或其它翻译错误,仅供参考。如需获取准确内容,请参阅链接中的英语原文或自行翻译。

    Chime、您好!

    请阅读数据表中的第10页、并告诉我它是否解答了您的问题。

    此致、

  • 请注意,本文内容源自机器翻译,可能存在语法或其它翻译错误,仅供参考。如需获取准确内容,请参阅链接中的英语原文或自行翻译。

    您好、Kristin Jones!

    我知道占空比仅与电流相关、与电压无关。  我无法控制输出电压、它将会过压并最终关闭。   这是否会导致电流无法满足设计要求。

    谢谢!

  • 请注意,本文内容源自机器翻译,可能存在语法或其它翻译错误,仅供参考。如需获取准确内容,请参阅链接中的英语原文或自行翻译。

    您好 Chime、

    此 E2E 问题包含有关该部分电路的一些其他信息:  

    如果 IC 检测到电池电压超出预定义范围、则 IC 将被禁用。 在这种情况下、它不会继续进行电池平衡。 这是否能满足您的设计需求由您决定。 我建议您使用您的特定设置在 SPICE 中模拟外部电路、以确定它是否满足您的需求。

    此致、

  • 请注意,本文内容源自机器翻译,可能存在语法或其它翻译错误,仅供参考。如需获取准确内容,请参阅链接中的英语原文或自行翻译。

    还可以!

    谢谢!