This thread has been locked.

If you have a related question, please click the "Ask a related question" button in the top right corner. The newly created question will be automatically linked to this question.

[参考译文] TPS61165:最大输出电容

Guru**** 2390755 points
Other Parts Discussed in Thread: TPS61165

请注意,本文内容源自机器翻译,可能存在语法或其它翻译错误,仅供参考。如需获取准确内容,请参阅链接中的英语原文或自行翻译。

https://e2e.ti.com/support/power-management-group/power-management/f/power-management-forum/987888/tps61165-maximum-output-capacitance

器件型号:TPS61165
TPS61165数据表列出了一个1uF - 10uF 的建议输出电容。  它提到低于1uF 的电容器可能会导致不稳定。  但它并未真正提到10uF 最大值的来源、或者如果超出该值、可能会发生什么情况。  输出电容大于10uF 的风险是什么?
  • 请注意,本文内容源自机器翻译,可能存在语法或其它翻译错误,仅供参考。如需获取准确内容,请参阅链接中的英语原文或自行翻译。

    尊敬的 David:

    更大的电容有助于实现环路稳定性、但成本也很高。 因此、对于大多数应用而言、10uF 足够大。

    Robin

  • 请注意,本文内容源自机器翻译,可能存在语法或其它翻译错误,仅供参考。如需获取准确内容,请参阅链接中的英语原文或自行翻译。

    谢谢你。 实际上、我仅使用1uF 作为 TPS61165电路的 Cout。 问题在于、我有其他与 LED 灯串并联的电路、因此我最终会得到与该1uF 并联的更多电容。 目前、它只是一个额外的10uF。 我不关心11uF 与10uF 的关系、但我想了解建议的10uF 最大值。

    由于额外的电容是由这些其他电路的要求引起的、因此限制 TPS61165 Cout 的成本不是一个问题。 如果稍后添加更多电路、最好确认20uF 或100uF 仍然正常。

    在极端情况下、我还有一个2200uF 电解电容器、但这似乎过大、所以我在电容器和 LED 之间放置一个二极管、以将 TPS61165与该大电容器隔离。 但是、如果将2200uF 电容器直接连接到 LED、这会简化我的电路、因此会与 TPS61165 Cout 并联。 TPS61165的 Cout 是否大至2200uF? 或者是否有某个最大值应该保持在以下?

  • 请注意,本文内容源自机器翻译,可能存在语法或其它翻译错误,仅供参考。如需获取准确内容,请参阅链接中的英语原文或自行翻译。

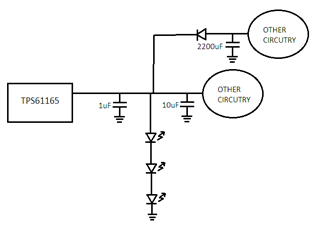
    下面是一个快速图表、显示了我要描述的内容:

    理想情况下、我可以考虑移除2200uF 电容器和 LED 灯串之间的二极管、但如果2200uF 过大、我不想给 TPS61165带来问题。

  • 请注意,本文内容源自机器翻译,可能存在语法或其它翻译错误,仅供参考。如需获取准确内容,请参阅链接中的英语原文或自行翻译。

    尊敬的 David:

    您是否必须将2200uF 电路添加到 TPS61165的输出中? 您能详细解释一下这个电路吗?

    我认为这种解决办法不是一个好主意。 首先,启动程序太长。 其次、当二极管导通时、存储在2200uF 中的能量也会流经 LED、然后 LED 的亮度会突然变化。

    Robin

  • 请注意,本文内容源自机器翻译,可能存在语法或其它翻译错误,仅供参考。如需获取准确内容,请参阅链接中的英语原文或自行翻译。

    否、我不需要将2200uF 连接到 TPS61165输出。  我可以将二极管保留在图中、因此2200uF 不会影响 TPS61165的运行。

    此电路的用途是、我有多种方法来点亮 LED。  2200uF 是能够驱动 LED 的另一个电路的输出电容。  我使用此电路已有很长一段时间、并且运行良好、但我始终使用该二极管将 TPS61165与2200uF 隔离、新的问题是我是否可以安全地移除该二极管。  听起来答案是否定的  但是-受电容器影响的启动过程是什么、如果需要更长的时间、问题是什么?

    忽略2200uF 电容器、另一个新问题是与 LED 并联的10uF 电容器。  在这种情况下、我无法使用二极管来隔离该电容器。  听起来就像这个范围内的输出电容(11uF)没有问题、对吧?  但如果2200uF 过大、我想知道您建议的最大值是多少、或者如果我使用更大的输出电容、我应该寻找什么样的负副作用。

  • 请注意,本文内容源自机器翻译,可能存在语法或其它翻译错误,仅供参考。如需获取准确内容,请参阅链接中的英语原文或自行翻译。

    大家好、Robin、在本例中、您能帮助 David Dean、

  • 请注意,本文内容源自机器翻译,可能存在语法或其它翻译错误,仅供参考。如需获取准确内容,请参阅链接中的英语原文或自行翻译。

    尊敬的 David:

    如果您对启动时间没有任何要求、则可以。

    我认为 TPS61165可以接受11uF、但我没有可验证的基准测试结果。 请遵循数据表指南、因为 该数据 是通过仿真或基准测试验证的。\

    Robin

  • 请注意,本文内容源自机器翻译,可能存在语法或其它翻译错误,仅供参考。如需获取准确内容,请参阅链接中的英语原文或自行翻译。

    您是否建议进行任何测试来确认具有较大值的功能?  我知道、这样的问题可能是微不足道的-仅影响部分或部分时间的一部分。  我通常要做的是用更大的值来确认功能-例如、110uF 陶瓷电容器、10倍的裕度-如果可以的话、我可以确信11uF 在所有情况下都能正常工作。  这是否合理?

  • 请注意,本文内容源自机器翻译,可能存在语法或其它翻译错误,仅供参考。如需获取准确内容,请参阅链接中的英语原文或自行翻译。

    尊敬的 David:

    我理解您的担忧、但该电容器没有准确的值。 范围。  

    Robin