你好、
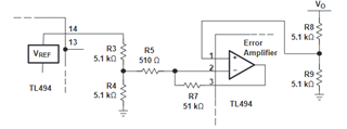
我在 设计示例的图38中实现了误差放大器电路 、几乎完全相同、只需将 R3和 R4分别替换为7k5Ω Ω、将 R8和 R9替换为100kΩ Ω、将 R7和 R5分别替换为10kΩ Ω 和100Ω Ω。 因此、与示例中一样、我的增益仍然为101。 我的问题是分压器发生了什么、我不像我应该的那样测量2.5V、我测量3.3V、而我越大、使 R3和 R4的分压器电压就越高。 这是正常操作吗?
谢谢、
Brandon
This thread has been locked.
If you have a related question, please click the "Ask a related question" button in the top right corner. The newly created question will be automatically linked to this question.
你好、
我在 设计示例的图38中实现了误差放大器电路 、几乎完全相同、只需将 R3和 R4分别替换为7k5Ω Ω、将 R8和 R9替换为100kΩ Ω、将 R7和 R5分别替换为10kΩ Ω 和100Ω Ω。 因此、与示例中一样、我的增益仍然为101。 我的问题是分压器发生了什么、我不像我应该的那样测量2.5V、我测量3.3V、而我越大、使 R3和 R4的分压器电压就越高。 这是正常操作吗?
谢谢、
Brandon
您好、Brandon、
您描述的行为并不是典型的。 您提到您将组件缩放到了图 36、但在101时保持线性增益不变。 您仅在330 μA 下加载基准电压、因此 VREF 不应存在任何电流问题-即使分压器电压已增加至3.3V、您是否已测量并确认 VREF=5V? R3/R4分压器之间的电压是通过 VREF 和误差放大器输出之间的叠加产生的。 如果您确信 VREF 良好、则误差放大器输出的贡献必须已经增加...可能会达到饱和点、但这没有意义、只需按您所述进行调节即可。 您的振荡器频率是多少? 您一定不能超过增益带宽(GBW)限制、但您参考的原理图仅显示直流增益-您在补偿周围不使用电容器-正确吗? 对于101的线性增益、GBW 如下所示:

您所做的 kΩ kΩ 是将 R8、R9从5.1k Ω 改为100k Ω、这将输入偏置电流减小了20倍。 如果您保持增益刻度不变、但返回 R8=R9=5.1 kΩ、性能会如何变化?
此致、
Steve M
大家好、Steven。 感谢您的回复!
我目前要使用200kHz 的开关频率。 这是一个半随机选择、因为我不熟悉 SMPS 设计、而阅读更高的内容意味着更高效、更低的噪声和更小的电感值。
我有一个与 R9并联的100nF 陶瓷电容器、只是为了保持反馈稳定、但当我将其移除时、没有任何变化。
我使用以下组件值获得以下测量值:
R3/4 | Vref | Vn
4.7kΩ| 4.98V | 2.76V
6.8kΩ| 4.97V | 2.83V
3.3kΩ| 4.97V | 2.69V
我还将 R8和 R9 6.8kΩ Ω、4.7kΩ Ω 基准反馈网络位于 R3和 R4、但 VN 在2.7V 时与100kΩ Ω 电阻器保持不变。
我将增益保持在101、但将电阻器值更改为1kΩ Ω 和100kΩ Ω、这意味着相同的增益、但来自反馈引脚的电流更小。 这似乎起了作用。
您好、Brandon、
很高兴你向正确的方向移动。 此外、正如您提到的、更高的频率意味着更小的电感器/变压器/电容器、但并不总是更高的效率。 这是电源设计中的一个持续折衷。 TI 开发了创新的 IC 技术、旨在帮助设计人员实现更高的集成度、更高的工作频率、智能保护功能和更小的电源设计、同时实现尽可能高的效率。 如果您不熟悉电源设计、请下载 并查看功率级设计器 -了解不同 电源拓扑的有趣方法。 感谢您通过 E2E 进行连接、祝您使用 TI 支持工具和产品设计电源时一切顺利。
此致、
Steve M