请注意,本文内容源自机器翻译,可能存在语法或其它翻译错误,仅供参考。如需获取准确内容,请参阅链接中的英语原文或自行翻译。
器件型号:BQ76942 大家好、
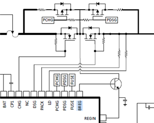
外部 NPN 的集电极是否必须连接在 CHG MOS 和 DSG MOS 之间? 如果答案是肯定的、为什么?
是否有任何 IO 可以指示 BQ76942的电源模式? 客户希望在省电模式下关闭 BQ76942、MCU 和其他负载。 该 IO 引脚可输出高电平作为 EN 信号、以启用 MCU 电源和其他负载。
谢谢。

This thread has been locked.
If you have a related question, please click the "Ask a related question" button in the top right corner. The newly created question will be automatically linked to this question.
您好、Yucing、
NPN 连接到 FET 的共漏极、因此 如果连接稳压器电流、则可由充电器提供、从而避免电池消耗大电流。
没有用于指示 BQ76942功率模式的 IO 引脚。 对于关断模式、这应该是可行的-您可以将其中一个多用途 IO 引脚设置为通用输出、并将输出设置为将 REG1电压驱动为高电平。 当器件进入关断状态时、该引脚将不再驱动高电平、因为稳压器将关闭。
此致、
Matt