您好!
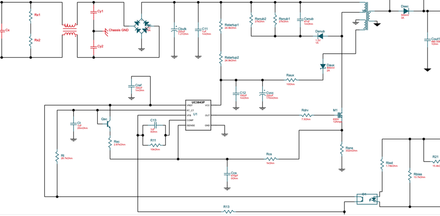
我有一个小而简单的问题。 我已经用 UC3843设计了这个原理图并使用一个原型对其进行了测试。 它工作正常、输出为55V 1.2A。
现在、我正在努力提高效率并降低某些组件的温升。
我们为此 IC 使用 RCD 缓冲器。 我已经阅读过很多有关缓冲器的文章、发现这种方法适用于此电路既简单又便宜。
我的问题是:可以对该 IC 和原理图应用此缓冲器方法吗? 这是反激式电源的真正好方法吗? 等待您的回复和专业体验。
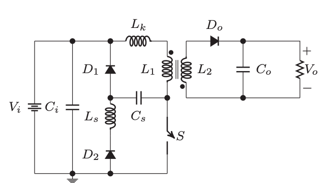
我添加了我的设计和有关 LC 缓冲器的文章。
非常感谢
我的原理图:
LC 缓冲器:

