This thread has been locked.

If you have a related question, please click the "Ask a related question" button in the top right corner. The newly created question will be automatically linked to this question.

[参考译文] UCC24612:ucc24612 VD 处的分压器和死区时间调整

Guru**** 2514325 points
Other Parts Discussed in Thread: UCC24612, UCC24610

请注意,本文内容源自机器翻译,可能存在语法或其它翻译错误,仅供参考。如需获取准确内容,请参阅链接中的英语原文或自行翻译。

https://e2e.ti.com/support/power-management-group/power-management/f/power-management-forum/871221/ucc24612-voltage-divider-at-vd-of-ucc24612-and-dead-time-adjustment

器件型号:UCC24612
主题中讨论的其他器件: UCC24610

尊敬的团队:

   我的客户对在 Ucc24612的引脚 VD 处使用电阻分压器来扩大其在其应用中的额定电压有疑问。

   是否会有任何问题、如设置时间或此应用的其他副作用?

   

   此外、他们还有关于死区时间调整的问题! 是否有任何方法可以调整触发点?

感谢你的帮助

此致、

Edward

  • 请注意,本文内容源自机器翻译,可能存在语法或其它翻译错误,仅供参考。如需获取准确内容,请参阅链接中的英语原文或自行翻译。

    您好、Edward、

    感谢您关注 UCC24612 SR 控制器。

    UCC24612 VD 输入额定电压最高为230V。  如果您的客户需要将此额定值扩展到更高的电压、本应用手册 https://www.ti.com/lit/an/slua860/slua860.pdf 在第10至13节中介绍了如何实现此目的。  UCC24610器件介绍了这些技术、但也可类似地应用于 UCC24612。  (在编写应用手册时、预计较高的 UCC24612 VD 评级也可能需要进一步扩展。)  

    我不清楚调整死区时间的问题。
    UCC24612提供两种版本:-1和-2。 每个器件都有特定的导通延迟、适用于基于 GaN 或硅基初级侧功率级。  两者的时序不同、因此请考虑哪种版本更适合您的应用。  

    由于此 IC 如此紧凑且简单、因此用户无法调整内部时序 。 但是、通过 向 VD 输入端添加 R-C 延迟、可能会引入额外的导通延迟。   将一个电阻从 VD 串联到 SR-FET 漏极、电阻值从100 Ω 到1k Ω 不等、并将一个小电容从 VD 连接到 VS。根据经验调整延迟时序。   

    此致、
    Ulrich

  • 请注意,本文内容源自机器翻译,可能存在语法或其它翻译错误,仅供参考。如需获取准确内容,请参阅链接中的英语原文或自行翻译。

    您好 Ulrich、

       感谢您的详细解释。

       应用手册非常有用。  

        关于死区时间调整、我们只需在竞争对手的 SP6016D 数据表中看到它。

        它似乎调整 Vgs 下降沿和 Vsync 上升沿之间的相对延迟时间。

    谢谢

    此致、

    Edward

  • 请注意,本文内容源自机器翻译,可能存在语法或其它翻译错误,仅供参考。如需获取准确内容,请参阅链接中的英语原文或自行翻译。

    您好、Edward、

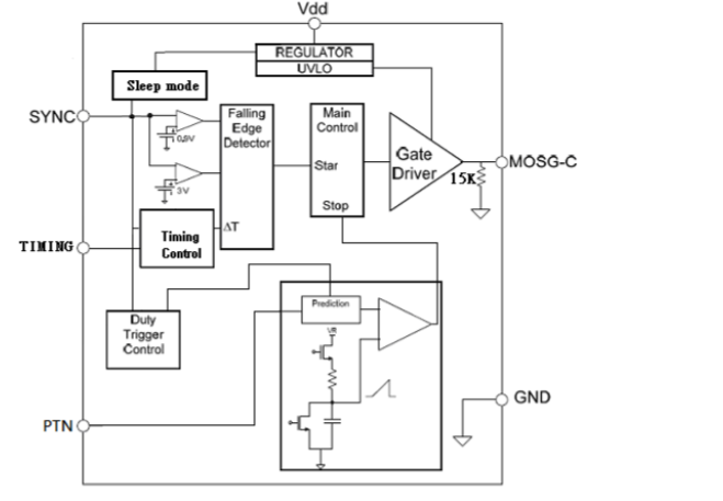
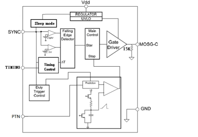
    UCC24612无需进行此调整、因为它会在 SR-FET 导通结束之前自动将栅极驱动电压降低至低电平。

    这可实现 非常快速的关断和低关断损耗、而无需显著的体二极管导通。  它通过根据  之前周期的时序动态调整每个周期的时序来实现这一点。

    此致、
    Ulrich