This thread has been locked.

If you have a related question, please click the "Ask a related question" button in the top right corner. The newly created question will be automatically linked to this question.

[参考译文] BQ40Z50-R3-DEVICE-FW:器件未上电

Guru**** 2535750 points
Other Parts Discussed in Thread: BQ24725A, BQ40Z50

请注意,本文内容源自机器翻译,可能存在语法或其它翻译错误,仅供参考。如需获取准确内容,请参阅链接中的英语原文或自行翻译。

https://e2e.ti.com/support/power-management-group/power-management/f/power-management-forum/943908/bq40z50-r3-device-fw-device-not-powering-up

器件型号:BQ40Z50-R3-DEVICE-FW

您好!

我们已正确校准监测计、并在正常情况下正常工作。 但是、我们发现了以下问题:如果我们将关闭一段时间、则无法将其唤醒。 我们发现的唯一解决方法是手动向电池充电器(BQ24725A)发送命令以施加特定电压(我们通常使用大约10V)、然后监测计开启。 我们无法确定问题是什么、因为电池已充满电。

我为配置附加 CSV 文件。 另请注意、我们使用 PRES 引脚来打开/关闭监测计;除非我们将其关闭太长时间、否则实际工作正常。

谢谢、

费德里科

e2e.ti.com/.../0083.memory.gg.csv

  • 请注意,本文内容源自机器翻译,可能存在语法或其它翻译错误,仅供参考。如需获取准确内容,请参阅链接中的英语原文或自行翻译。

    您好 Frederico、

    为了产生误差、监测计必须保留多长时间、这是否可与其他测试重复? 这是不是一个包含不可拆卸电池的3S 电池组?

    此致、

    Wyatt Keller

  • 请注意,本文内容源自机器翻译,可能存在语法或其它翻译错误,仅供参考。如需获取准确内容,请参阅链接中的英语原文或自行翻译。

    您好、Wyatt、

    它采用3s1p 封装。 我不知道需要多长时间、但我会说几天甚至更多。

    此致、

    费德里科

  • 请注意,本文内容源自机器翻译,可能存在语法或其它翻译错误,仅供参考。如需获取准确内容,请参阅链接中的英语原文或自行翻译。

    您好 Federico、

    问题发生在您的所有电路板上还是仅发生在电路板上?

    有时按钮无法正常工作、如果您手动连接电路以唤醒监测计、它会唤醒吗? 使用充电器唤醒它后、按钮是否会再次工作?

    此致、

    Wyatt Keller

  • 请注意,本文内容源自机器翻译,可能存在语法或其它翻译错误,仅供参考。如需获取准确内容,请参阅链接中的英语原文或自行翻译。

    您好、Wyatt、

    所有电路板上都会出现此问题。 按钮本身似乎工作良好。

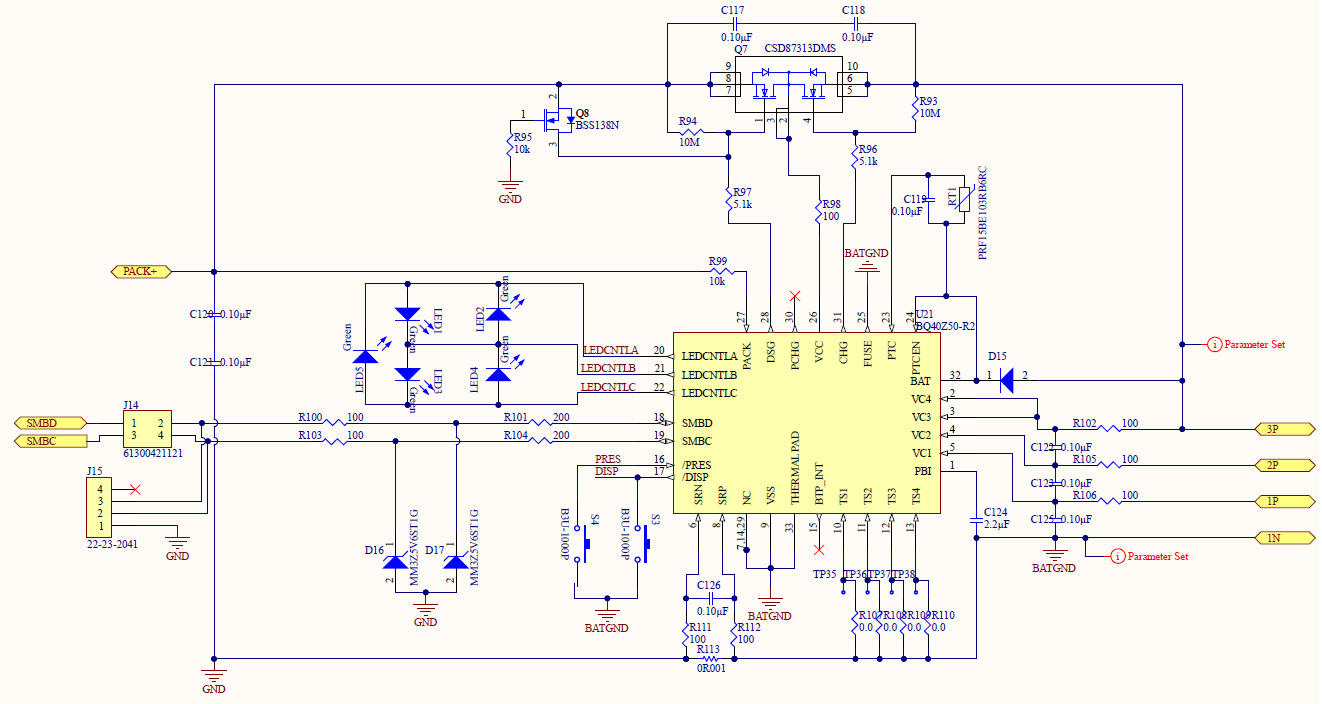
    在我们向充电器发出电压命令后、电量监测计开始正常工作。 下面是原理图的捕获、以防万一。

    谢谢

  • 请注意,本文内容源自机器翻译,可能存在语法或其它翻译错误,仅供参考。如需获取准确内容,请参阅链接中的英语原文或自行翻译。

    您好 Federico、

    我建议使用与 EVM 类似的唤醒按钮、暂时连接 PACK+和 BAT+以打开监测计。 该方法应始终唤醒监测计。 这是监测计因存储而关闭时的情况。

    此致、

    Wyatt Keller  

  • 请注意,本文内容源自机器翻译,可能存在语法或其它翻译错误,仅供参考。如需获取准确内容,请参阅链接中的英语原文或自行翻译。

    您好!

    感谢您的评论、我们将在下一次迭代中考虑这一点。  

    但是、您是否可以通过任何方式避免"硬"关断。 我们的按钮目标是打开和关闭 FET、我们不关心芯片本身消耗了大量电流、因为它不会存储很长时间。

    此致、

    费德里科

  • 请注意,本文内容源自机器翻译,可能存在语法或其它翻译错误,仅供参考。如需获取准确内容,请参阅链接中的英语原文或自行翻译。

    您好 Federico、

    电量监测计在您离开一段时间后是否正在关闭? 这可能会阻止监测计测量 PRES 引脚。 确保监测计未进入关断模式、您可能必须更改关断模式的阈值、以便始终可以使用 PRES 引脚。

    此致、

    Wyatt Keller

  • 请注意,本文内容源自机器翻译,可能存在语法或其它翻译错误,仅供参考。如需获取准确内容,请参阅链接中的英语原文或自行翻译。

    您好、Wyatt、

    我相信它会在几天后关闭、由于 BQ24725A 提供大约0.8V 电压、BQ40z50不会唤醒。

    您能否向我说明一下、在这种状态下、我们在紧急停机时所处的位置?

    谢谢

  • 请注意,本文内容源自机器翻译,可能存在语法或其它翻译错误,仅供参考。如需获取准确内容,请参阅链接中的英语原文或自行翻译。

    您好 Federico、

    检查数据表第7.3节中的启动电压、即所需电压(~2.25V): www.ti.com/.../bq40z50.pdf

    我认为图像中有错误、紧急关机是通过命令或按键进入的、并且以相同的方式退出。

    此致、

    Wyatt Keller